Xerox B600 B610 B605 B615 Parts
| 1.1 UI MFP-Std, B615_Tall 1 2 3 4 UI frame plate (Not spared) 5 5 6 Speaker main 7 8 UI frame bracket (Not spared) 9 Not used 10 ICCR card (Not spared) | ![]() |
| PL 1.2 UI (B600/B610) 1 2 3 Not used 4 UI frame (Not spared) 5 6 Speaker main 7 8 Not used 9 Not used 10 ICCR card (Not spared) | ![]() |
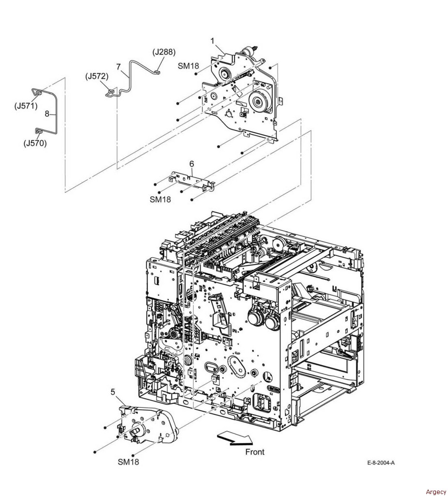
| PL 2.1 LPH 1 2 3 Cover LPH (guide cleaner) (Not spared) 4 Cover LPH ESD (Not spared) 5 Holder LPH RT (Not spared) REP 2.3 6 Core ferrite LPH (Not spared) 7 Guide FFC mono LPH (Not spared) REP 2.5 8 Guide toner (Not spared) REP 2.4 9 Not used 10 Not used 11 Not used 12 Not used 13 Core ferrite LPH (Not spared) | ![]() |
| PL 3.1 Drive 1 2 Not used 3 Not used 4 Not used 5 6 Plate MCU (Not spared) 7 Harness assembly motor PWR-MV (Not spared) 8 Harness assembly motor - MV (Not spared) | ![]() |
| PL 4.1 NOHAD 1 2 Duct fan main (Not spared) 3 4 Not used 5 Not used 6 Not used 7 99 | ![]() |
| PL 5.1 Dispenser 1 127K64260 Motor assembly DISP/ENV (MOT93-010) REP 5.2 2 3 Photo sensor (Q94-200) (nip position sensor) (Not spared) 4 Not used 5 Not used 6 Connector assembly CRUM toner (with 7) (Not spared) 7 Toner CRUM PWB (Not spared) REP 5.3 8 Harness assembly DISP/ENV-MV (Not spared) 9 Housing CRUM dispenser (Not spared) 10 Harness assembly toner CRUM-MV (Not spared) 11 Toner cartridge (Not spared) 12 Latch CTRG (Not spared) 13 Link latch CTRG (Not spared) 14 Spring latch CTRG (Not spared) 15 Guide CRU R (Not spared) 16 Guide CRU L2 (Not spared) 17 Frame top mono (Not spared) 18 Guide harness top (Not spared) 19 Assembly coupling (Not spared) 20 Gear idler dispenser (Not spared) 21 Gear out CRU (Not spared) | ![]() |
| PL 6.1 Transfer 1 2 Harness assembly TA CLT/HUM-MV (Not spared) | ![]() |
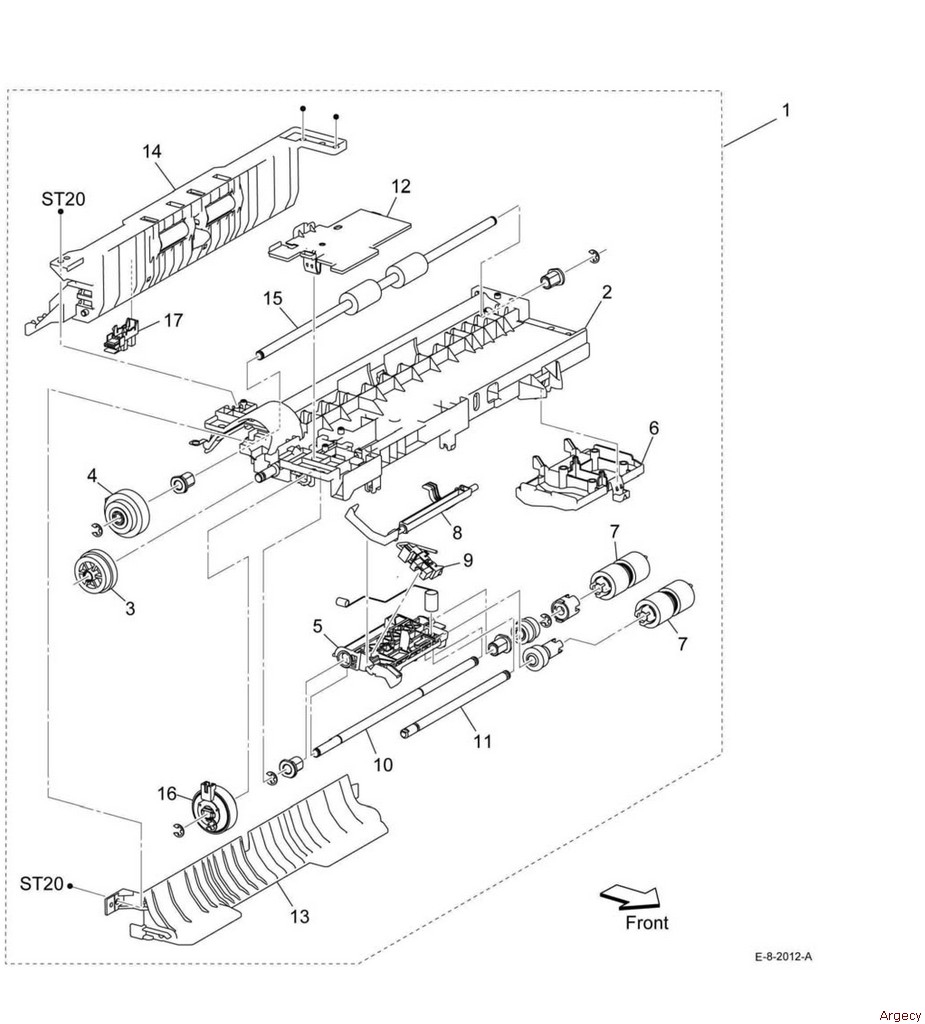
| PL 7.1 Fusing 1 1 115R00140 220V fuser GP 40 2 Bracket nip retract (not spared) 3 Not used 4 Not used 5 Not used 6 Shaft retract (P/O PL 7.1 Item 99) 7 Gear shaft retraction (P/O PL 7.1 Item 99) 8 Block CRU (not spared) 9 Block CRU D (not spared) 10 Nip retraction shaft damper (not spared) 99 | ![]() |
| PL 8.1 Xerographic 1 Xerographic developer CRU assembly (not spared) REP 8.1 | ![]() |
| PL 9.1 Tray 1 2 3 Roll assembly (not spared) 4 Holder separator (not spared) 5 Shaft separator CST (not spared) 6 Clutch assembly friction (not spared) 7 Handle CST 550 (not spared) 8 Gear assembly (not spared) 9 Plate assembly bottom (not spared) 10 Housing assembly end 550 (not spared) 11 12 98 | ![]() |
| PL 10.1 Option Feeder (1/3) 1 2 Cover side l OPF 550 (not spared) 3 Cover side r OPF 550 (not spared) 4 Cover lip top OPF 550 (not spared) 5 Not used 6 Cover rear OPF 550 (not spared) 7 Cover rear under OPF 550 (not spared) 8 Cover rear top OPF 550 (not spared) 9 Foot base OPF 550 (not spared) 10 11 PWB assembly OPF 550 (not spared) 12 13 Lock assembly OPF 550 (not spared) 14 Gear rack lock OPF 550 (not spared) 15 Latch tray OPF 550 (not spared) 16 Harness assembly FDR drawer (not spared) 17 Harness assembly OPF 2C (not spared) 18 Motor assembly drive OPF 550 (not spared) 19 Chute rear OPF 550 (not spared) 20 Guide harness OPF 550 (not spared) 21 CVR front l OPF (not spared) 22 Tray LED assembly (not spared) 23 Harness assembly LED (J813-J814) (not spared) 24 Cover shade tray (not spared) 98 | ![]() |
| PL 10.2 Option Feeder (2/3) 1 Feeder assembly OPF 550 (with 2-15) (not spared) 2 Frame feeder top (not spared) 3 Gear P24-P27 (not spared) 4 Clutch assembly PH OPF 550 (not spared) 5 Support nudger (not spared) 6 7 8 9 Sensor photo (opt. feeder no paper sensor) (not spared) 10 Shaft feed OPF 550 (not spared) 11 Shaft nudger OPF 550 (not spared) 12 Cover harness OPF 550 (not spared) 13 Chute feeder (not spared) 14 Roll assembly TA pinch OPF 550 (not spared) 15 Roller assembly TA OPF 550 (not spared) 16 Clutch assembly PH OPF 550 (OPT feed clutch) (not spared) 17 Sensor photo (OPT path paper sensor) (not spared) | ![]() |
| PL 10.3 Option Feeder (3/3) 1 2 3 Roll assembly (not spared) 4 Holder separator (not spared) 5 Shaft separator (not spared) 6 Clutch assembly friction (not spared) 7 8 98 | ![]() |
| PL 11.1 HCF Front-Right 1 Cover right (not spared) REP 11.1 2 Cover front L (not spared) REP 11.2 3 Cover shade tray LED (not spared) REP 11.2 4 LED PWB (not spared) REP 11.2 5 6 Harness assembly LED (not spared) 7 607K05000 LED assembly W/I wire (with 3, 4, 6) REP 11.6 | ![]() |
| PL 11.2 HCF Left 1 Cover left (not spared) 2 Guide harness (not spared) 3 4 | ![]() |
| PL 11.3 HCF (3/4 Tray) 1 Cover rear (not spared) REP 11.4 2 3 Bracket actuator sensor (not spared) 4 5 Guide SW SUB (not spared) 6 Open tray sensor 7 012E18960 Actuator link sensor end | ![]() |
| PL 11.4 HCF (4/4 Tray) 1 2 98 | ![]() |
| PL 13.1 MSI 1 2 Frame MSI (not spared) 3 Roll core MSI (not spared) 4 Shaft assembly feed MSI (not spared) 5 6 Bearing dup MSI (not spared) 7 Solenoid feed MSI (not spared) 8 9 Roll assembly TA 1 (not spared) 10 Bearing TA L (not spared) 11 Gear turn (not spared) 12 Bearing TA3 AD (not spared) 13 Gear TA 2 (not spared) 14 Guide MSI R (not spared) 15 Upper chute MSI (not spared) 16 Guide harness MSI (not spared) 17 Bracket no paper MSI (not spared) 18 Harness assembly no paper MSI (not spared) 98 Kit MSI roll assembly TA 1 (with 9-11) (not spared) | ![]() |
| PL 13.2 MSI (2/2) 1 2 Cover assembly MSI (not spared) 3 Chute assembly MSI (with 4-15) (not spared) 4 Chute MSI (not spared) 5 6 Bar MSI Front (not spared) 7 Actuator no paper MSI (not spared) 8 Spring no paper MSI (not spared) 9 Shaft pinch TA (not spared) 10 Roll pinch MSI (not spared) 11 Spring pinch MSI (not spared) 12 Latch MSI L (not spared) 13 Latch MSI R 14 Spring latch MSI (not spared) 15 Plate assembly bottom MSI (not spared) | ![]() |
| PL 14.1 Duplex 1 Duplex assembly (not spared) 2 Not used 3 Not used 4 Cover rear fan harness (not spared) 5 | ![]() |
| PL 15.1 Registration (1/2) 1 2 Label jam chute (not spared) 3 Chute dup lower (not spared) 4 Chute feeder (not spared) 5 Cover dup gear (not spared) 6 Harness assembly CLT REGI/DUP-C (not spared) 7 Gear CLT registration (not spared) 8 Clutch assembly registration (not spared) 9 Gear assembly one way (not spared) 10 Chute DUP upper (not spared) 11 Bracket assembly registration D (not spared) 12 Bearing registration pinch AD (not spared) 13 Bearing registration AD (not spared) 14 Roll assembly registration (not spared) 15 Bearing registration D (not spared) 16 Spring registration 17 Bracket assembly registration AD (not spared) 18 Bearing registration pinch D (not spared) 19 Roll registration pinch out (not spared) 20 Spacer registration pinch (not spared) 21 Roll registration pinch in (not spared) 22 Shaft registration pinch (not spared) 23 Chute assembly upper (not spared) 99 | ![]() |
| PL 15.2 Registration (2/2) 1 054K58700 Chute Assembly Registration Feeder Fully refurbished with 90-day warranty 054K58700 $121.04 2 3 Chute registration (not spared) 4 Roll pinch TA (not spared) 5 Spring pinch TA (not spared) 6 Shaft pinch TA (not spared) 7 Roll assembly TA3 (not spared) 8 Bearing TA3 D (not spared) 9 Bearing TA3 AD (not spared) 10 Gear TA3 (not spared) 11 Actuator registration (with 12) (not spared) REP 15.5 12 Spring actuator registration (not spared) 13 14 Chute registration upper (not spared) 15 Clutch assembly PH 16 17 18 Harness assembly SNR registration/NO (not spared) 19 Harness assembly clutch feed (not spared) 20 Plate earth feed (not spared) 21 Plate earth TA3 22 Sensor photo int (no paper sensor) (not spared) 98 | ![]() |
| PL 17.1 Exit 1 1 2 Roll pinch (Not spared) 3 Cover pinch (Not spared) 4 5 6 7 7 8 Harness assembly full stack - MV (Not Spared) 9 Harness assembly developer - MV (Not Spared) 10 Harness assembly finisher - MV (Not Spared) 11 Not used 12 Cover top exit lower (Not spared) 13 Chute flapper exit (Not spared) | ![]() |
| PL 18.1 Electrical (B605/B615) (1/4) 1 2 3 Guide FFC MCU 4 Not used 5 6 PLATE FAX (Not spared) 7 Not used 8 Plate ESS low (Not spared) 9 10 Harness assembly fax (Not spared) 11 Wireless module (Not spared) 12 Not used 13 14 15 Speaker assembly A4 fax (not spared) 16 105K33370 LVPS PWB 220V REP 18.7 16 105K33360 Low Voltage Power Supply (LVPS) - 110V Fully refurbished with 90-day warranty 105K33360 $161.84 17 Not used 18 Plate ESS top (not spared) 19 Box ESS AIO (not spared) 20 Plate LVPS (not spared) 21 Not used 22 Not used 23 Guide harness ESS (not spared) 24 Not used 25 Core fax (not spared) 26 Link WIFI (not spared) 27 28 Bracket HDD (not spared) 29 Speaker main (not spared) 30 EMMC card (not spared) 31 Bracket USB ICCR (not spared) 32 Bracket USB (not spared) | ![]() |
| PL 18.2 Electrical (B605/B615) (2/4) 1 Cover HVPS (not spared) REP 18.9 2 105K33120 PWBA High Voltage Power Supply (HVPS) Fully refurbished with 90-day warranty 105K33120 $129.20 3 Not used 4 Housing 2ND BTR (not spared) REP 18.10 5 Plate BIAS 2nd BTR (not spared) 6 Harness 2nd BTR (T401) (not spared) 7 Not used 8 Not used 9 Harness assembly MCU-HVPS-MV (Not Spared) 99 Kit housing 2nd BTR (with 4-5) (not spared) | ![]() |
| PL 18.3 Electrical (B605/B615) (3/4) 1 Kit harness assembly inlet (not spared) 2 Harness assembly fusing DC-MV (Not Spared) 3 952K25320 Harness fusing AC 220V REP18.11 3 4 5 6 7 Power cord 110V (not spared) 8 Not used 9 Guide harness rear IL (not spared) 10 Guide harness MCU (not spared) 11 Guide harness AC (not spared) 12 Guide harness F USB (not spared) 13 Not used 14 Not used 15 Not used 16 Not used 17 Not used 18 Not used 19 Not used 20 Not used 21 22 Harness assembly switch size (not spared) | ![]() |
| PL 18.4 Electrical (B605/B615) (4/4) 1 Harness assembly ESS-PWR-MV (Not Spared) 2 Harness assembly 24V-MCU-MV (Not Spared) 3 Harness assembly LV-MCU-MV (Not Spared) 4 Harness assembly CRUM-MV (not spared) 5 Harness assembly MSI-MV (not spared) 6 Harness assembly XERO CRUM-MV (not spared) 7 Harness assembly REGI-MV (not spared) 8 Harness assembly SUB FAN-MV (Not Spared) | ![]() |
| PL 18.5 Electrical (B615_Tall) (1/4) 1 2 3 Guide FFC MCU (not spared) 4 Not used 5 6 Plate FAX (not spared) 7 Not used 8 Plate ESS low (not spared) 9 10 Harness assembly FAX (not spared) 11 Wireless module (not spared) 12 Not used 13 14 15 Speaker assembly A4 FAX (not spared) 16 105K33360 Low Voltage Power Supply (LVPS) - 110V Fully refurbished with 90-day warranty 105K33360 $161.84 16 105K33370 LVPS PWB 220V 17 Not used 18 Plate ESS top (not spared) 19 Box ESS AIO (not spared) 20 Plate LVPS (not spared) 21 Not used 22 Not used 23 Guide harness ESS (not spared) 24 Not used 25 Core FAX (not spared) 26 Link WIFI 27 28 Bracket HDD (not spared) 29 Speaker main (not spared) 30 EMMC card (not spared) 31 Not used 32 Bracket USB (not spared) | ![]() |
| PL 18.6 Electrical (B615_Tall) (2/4) 1 COVER HVPS 2 105K33121 PWBA High Voltage Power Supply (HVPS) Fully refurbished with 90-day warranty 105K33121 $129.20 3 Not used 4 Housing 2nd BTR (not spared) 5 Plate BIAS 2nd BTR (not spared) 6 Harness 2nd BTR 7 Not used 8 Not used 9 Harness assembly MCU-HVPS-MV (Not Spared) 99 Kit housing 2nd BTR (with 4-5) (not spared) | ![]() |
| PL 18.7 Electrical (B615_Tall) (3/4) 1 Kit harness assembly inlet (not spared) 2 Harness assembly fusing DC-MV (Not Spared) 3 952K25320 Harness fusing AC 220V 3 4 5 6 7 Power cord 110V (not spared) 8 Power cord 220V (not spared) 9 Guide harness rear IL (not spared) 10 Guide harness MCU (not spared) 11 Guide harness AC (not spared) 12 Guide harness F USB (not spared) 13 Not used 14 Not used 15 Not used 16 Not used 17 Not used 18 Guide harness IIT (not spared) 19 Guide harness UI FIN (not spared) 20 Not used 21 22 Harness assembly SW size (not spared) | ![]() |
| PL 18.8 Electrical (B615_Tall) (4/4) 1 Harness assembly ESS-PWR-MV (Not Spared) 2 Harness assembly 24V-MCU-MV (Not Spared) 3 Harness assembly LV-MCU-MV (Not Spared) 4 Harness assembly CRUM-MV (not spared) 5 Harness assembly MSI-MV (not spared) 6 Harness assembly XERO CRUM-MV (not spared) 7 Harness assembly REGI-MV (not spared) 8 Harness assembly SUB fan-MV (Not Spared) 9 Not used 10 Harness assembly FIN-MCU-MV (Not Spared) | ![]() |
| PL 18.9 Electrical (B600/B610) (1/4) 1 2 3 Guide FFC MCU (not spared) 4 Not used 5 6 Not used 7 Not used 8 Plate ESS low (not spared) 9 Not used 10 Not used 11 Wireless module (not spared) 12 Not used 13 Not used 14 15 Not used 16 105K33360 Low Voltage Power Supply (LVPS) - 110V Fully refurbished with 90-day warranty 105K33360 $161.84 16 105K33370 LVPS PWB 220V REP 18.35 17 Not used 18 Plate ESS top (not spared) 19 Box ESS SFP (not spared) 20 Plate LVPS (not spared) 21 Not used 22 Not used 23 Not used 24 Not used 25 Not used 26 Link WIFI (not spared) 27 28 Bracket HDD (not spared) 29 Speaker main (not spared) 30 EMMC card (not spared) 31 Not used 32 Not used | ![]() |
| PL 18.10 Electrical (B600/B610) (2/4) 1 Cover HVPS (not spared) 2 105K33121 PWBA High Voltage Power Supply (HVPS) Fully refurbished with 90-day warranty 105K33121 $129.20 3 Not used 4 Housing 2nd BTR (not spared) 5 Plate bias 2nd BTR (not spared) 6 Harness 2nd BTR (not spared) 7 Not used 8 Not used 9 Harness assembly MCU-HVPS-MV (Not Spared) 99 Kit housing 2nd BTR (with 4-5) (not spared) | ![]() |
| PL 18.11 Electrical (B600/B610) (3/4) 1 Kit harness assembly inlet (not spared) 2 Harness assembly fusing DC-MV (Not Spared) 3 952K25320 Harness fusing AC 220V 3 52K25310 Harness assembly fusing AC 100V-MV 4 5 6 7 Power cord 110V (not spared) 8 Power cord 220V (not spared) 9 Guide harness rear IL (not spared) 10 Guide harness MCU (not spared) 11 Guide harness AC (not spared) 12 Guide harness F USB (not spared) 13 Not used 14 Not used 15 Not used 16 Not used 17 Not used 18 Not used 19 Not used 20 Not used 21 22 Harness assembly SW size (not spared) | ![]() |
| PL 18.12 Electrical (B600/B610) (4/4) 1 Harness assembly ESS-PWR-MV (Not Spared) 2 Harness assembly 24V-MCU-MV (Not Spared) 3 Harness assembly LV-MCU-MV (Not Spared) 4 Harness assembly CRUM-MV (not spared) 5 Harness assembly MSI-MV (not spared) 6 Harness assembly XERO CRUM-MV (not spared) 7 Harness assembly REGI-MV (not spared) 8 Harness assembly SUB fan-MV (Not Spared) 9 Not used 10 Harness assembly FIN-MCU-MV (Not Spared)br> | ![]() |
| PL 19.1 Cover (B605/B615) (1/2) 1 Cover front (not spared) 2 Cover top front (not spared) 3 Tray extension (not spared) 4 Logo (not spared) 5 Cover front IN (not spared) 6 042K95900 LPH cleaner assembly 7 Not used 8 9 Not used 10 Not used 11 Not used 12 Not used 13 Not used 14 Not used 15 Cover top (not spared) 16 Cover exit (not spared) 17 Not used 18 Not used 19 Holder IL (not spared) 20 Actuator IL (not spared) 21 Spring IL (not spared) 22 Cover front L (not spared) 23 24 Tray LED HVPS PWB (not spared) 25 Cover shade tray (not spared) 26 Harness assembly LED (not spared) 27 Spring cover front (not spared) 28 Not used 30 31 32 33 Not used 40 41 42 43 95 96 97 Not used 98 Not used 99 | ![]() |
| PL 19.2 Cover (B605/B615) (2/2) 1 822E46590 Cover side L (non-FAX) REP 19.7 1 822E33022 Cover side L REP 19.7 2 Not used 3 Not used 4 Not used 5 Not used 6 Not used 7 Strap cover rear (not spared) 8 Hinge assembly rear L (not spared) 9 Hinge assembly rear R (not spared) 10 Cover rear bottom (not spared) 11 2nd BTR roll assembly (not spared) REP 19.9 12 Cover assembly rear AIO (not spared) 13 ESS window (not spared) 14 Plate ESS window (not spared) 15 Lever ESS window (not spared) 16 17 Spring cover rear (not spared) 98 99 Kit cover assembly rear AIO (with 7x2, 12, PL14.1) (not spared) REP19.18 | ![]() |
| PL 19.3 Cover (B615_Tall) (1/2) 1 Cover front (not spared) 2 Cover front top (not spared) 3 Tray extension (not spared) 4 Logo (not spared) 5 Cover front IN (not spared) 6 042K95900 LPH cleaner assembly 7 Not used 8 9 not used 10 Not used 11 Cover waste (not spared) 12 Not used 13 Not used 14 Not used 15 Cover top (not spared) 16 Cover exit (not spared) 18 19 Holder IL (not spared) 20 Actuator IL (not spared) 21 Spring IL (not spared) 22 Cover front L (not spared) REP19.10 23 24 Tray LED HVPS PWB (not spared) 25 Cover shade tray (not spared) 26 Harness assembly LED (J470-J471) (not spared) 27 Spring cover front (not spared) 30 822E32960 Cover FIN inner R 31 Cover FIN inner right 32 40 41 42 43 44 50 51 52 53 Not used 95 96 97 Not used 98 Not used 99 | ![]() |
| PL 19.4 Cover (B615_Tall) (2/2) 1 822E46600 Cover side L (non-FAX) REP 19.14 1 822E33022 Cover side L REP 19.14 2 3 4 Not used 5 Not used 6 Not used 7 Strap cover rear (not spared) 8 Hinge assembly rear L (not spared) 9 Hinge assembly rear R (not spared) 10 Cover rear bottom (not spared) 11 2nd BTR roll assembly (not spared) REP 19.9 12 Cover assembly rear AIO (not spared) 13 ESS window (not spared) 14 Plate ESS window (not spared) 15 Lever ESS window (not spared) 16 17 Spring cover rear (not spared) 98 99 Kit cover assembly rear AIO (with 7x2, 12, PL14.1) (not spared) REP19.18 | ![]() |
| PL 19.5 Cover (B600/B610) (1/2) 1 Cover front (not spared) 2 Cover front top (not spared) 3 Tray extension (not spared) 4 Logo (not spared) 5 Cover front IN 6 Not used 7 Not used 8 9 Cover top rear L (not spared) 10 11 Not used 12 Not used 13 Not used 14 Not used 15 Cover top (not spared) 16 Cover exit (not spared) 17 Not used 18 OPT blind cover (not spared) 19 Holder IL (not spared) 20 Actuator IL (not spared) 21 Spring IL (not spared) 22 Cover front L (not spared) 23 24 Tray LED HVPS PWB (not spared) 25 Cover shade tray (not spared) 26 Harness assembly LED (not spared) 27 Spring cover front 28 Cover top exit 95 96 97 Not used 98 Not used 99 | ![]() |
| PL 19.6 Cover (B600/B610) (2/2) 1 Cover side L (not spared) 2 Not used 3 Not used 4 Not used 5 Not used 6 Not used 7 Strap cover rear (not spared) 8 Hinge assembly rear L (not spared) 9 Hinge assembly right R (not spared) 10 Cover rear bottom (not spared) 11 2nd BTR roll assembly REP 19.22 12 Cover assembly rear SFP (not spared) 13 ESS window (not spared) 14 Plate ESS window (not spared) 15 Lever ESS window (not spared) 16 17 Spring cover rear (not spared) 98 99 Kit cover assembly rear SFP (with 7x2, 12, PL14.1) (not spared) REP19.25 | ![]() |
| PL 20.1 Mailbox 1 Cover LH C 2 607K05020 Tray assembly (with label) (with 4, 5) 3 607K05030 Tray assembly bottom (with label) 4 Actuator tray full 5 Sensor photo int (1/2/3/4-bin full paper sensor) 6 7 Not used 8 Not used 9 Not used 10 Not used 11 12 960K90043 Bracket earth RH 13 105E22590 Low Voltage Power Supply (LVPS) Assembly - Finisher LX Fully refurbished with 90-day warranty 105E22590 $148.24 14 Not used 15 Harness assembly MBX AC 16 Harness assembly MBX DC 17 Harness assembly MBX IF 18 Harness assembly trans S | ![]() |
| PL 20.2 Mailbox 1 Cover Top C (Not Spared) (REP20.3) 2 Cover RH C (Not Spared) (REP20.2) 3 Cover assembly staple (not Spared) 4 Cover assembly rear (Not Spared) 5 Bracket vertical sensor MBX (not Spared) 6 Vertical sensor rev PWB (not Spared) 7 Vertical sensor LED PWB (not Spared) 8 9 Chute low MBX (Not Spared) 10 Rear cover interlock sensor (not Spared) 11 12 Harness assembly MBX trans M (Not Spared) 13 Harness assembly MBX sensor (Not Spared) 14 Harness assembly vertical sensor (Not Spared) 15 Harness assembly vertical LED (Not Spared) 16 Spring tension (Not Spared) 17 Bracket tension (Not Spared) 18 Plate ground RH (Not Spared) | ![]() |
| PL 21.1 Finisher 1 Cover LH C 2 Cover Lower C 3 Tray assembly compile 4 Sensor photo int (sub paddle home sensor) 5 049K34570 Motor assembly stepping 6 7 Tray guide C 8 Gear assembly Rack R 9 Gear assembly rack L 10 Spring-lift 11 Sensor photo int (stacker tray no-paper & full sensor) 12 960K90034 GPF A4fin PWB 13 105E22590 Low Voltage Power Supply (LVPS) Assembly - Finisher LX Fully refurbished with 90-day warranty 105E22590 $148.24 14 Not Used 15 Harness assembly AC 16 Harness assembly fin DC 17 Harness assembly fin IF 18 Harness assembly fin SNR1 19 Harness assembly fin mot 20 Plate ground LH 21 Gear-Z50 Z20 | ![]() |
| PL 21.2 Finisher 1 Cover top C (Not Spared) (REP21.3) 2 Cover RH C (Not Spared) 3 4 Cover assembly rear (Not Spared) 5 Switch safety IL (Not Spared) 6 Bracket stapler (Not Spared) 7 8 9 Compile exit sensor (Not Spared) 10 Rear cover interlock sensor (not Spared) 11 12 Harness assembly staple unit (not Spared) 13 Harness assembly stapler M (not Spared) 14 Harness assembly fin IL (not Spared) 15 Harness assembly fin trans M1 (not Spared) 16 Harness assembly fin compile sensor (Not Spared) 99 006K35670 Shaft assembly - paddle sub | ![]() |
| PL 30.1 Cabinet 1 Caster (with lock) 2 Caster (without lock) | ![]() |
| PL 30.2 Caster Item Part Description 1 Caster (with lock) 2 Caster (without lock) | ![]() |
| PL 50.1 Scanner (MFP only) 1 2 3 4 5 Feeder roll DADF (see NOTE) (P/O PL 50.1 Item 99) 6 Cover assembly separator (P/O PL 50.1 Item 99) 7 Roll assembly separator DADF (P/O PL 50.1 Item 99) 8 Feeder assembly upper (P/O PL 50.1 Item 1) 9 Cover DADF front (P/O PL 50.1 Item 1) 10 Cover DADF rear (P/O PL 50.1 Item 1) 11 Tray assembly DADF (P/O PL 50.1 Item 1) 12 13 Scanner assembly (with 1-2) 14 15 16 17 Holder separator DADF (P/O PL 50.1 Item 1) 18 Spring separator DADF (not Spared) 19 99 Kit DADF feed roll (with 5-7) (P/O PL 50.1 Item 1) NOTE: HFSI. To reset the HFSI counter, refer to dC135. | ![]() |















































