Xerox Finisher Parts 7525-7530-7535-7545-7556-7800-7830-7835-7845-7855

 
  Xerox Finisher Parts 7525-7530-7535-7545-7556-7800-7830-7835-7845-7855 
 


Please call for parts

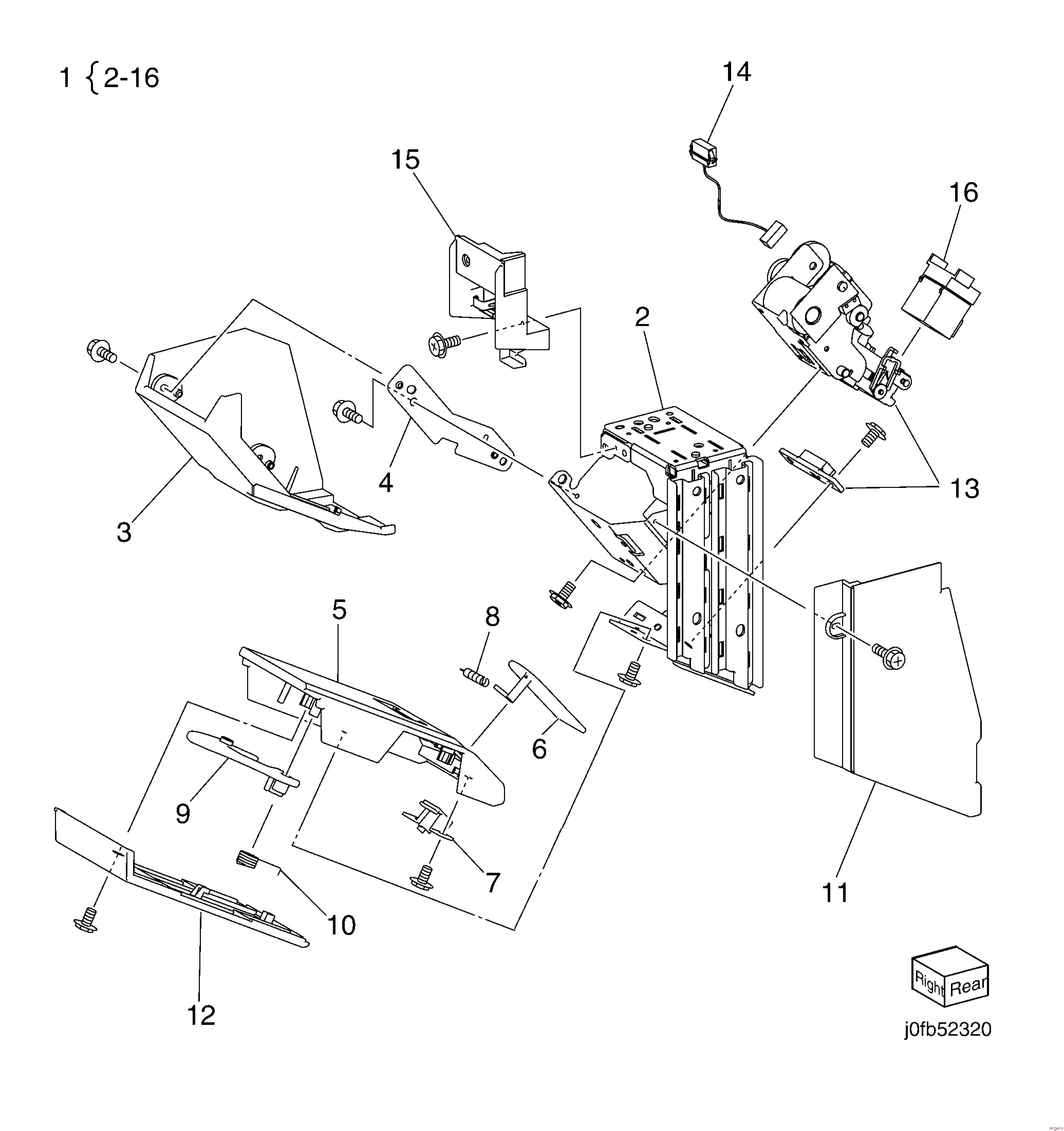
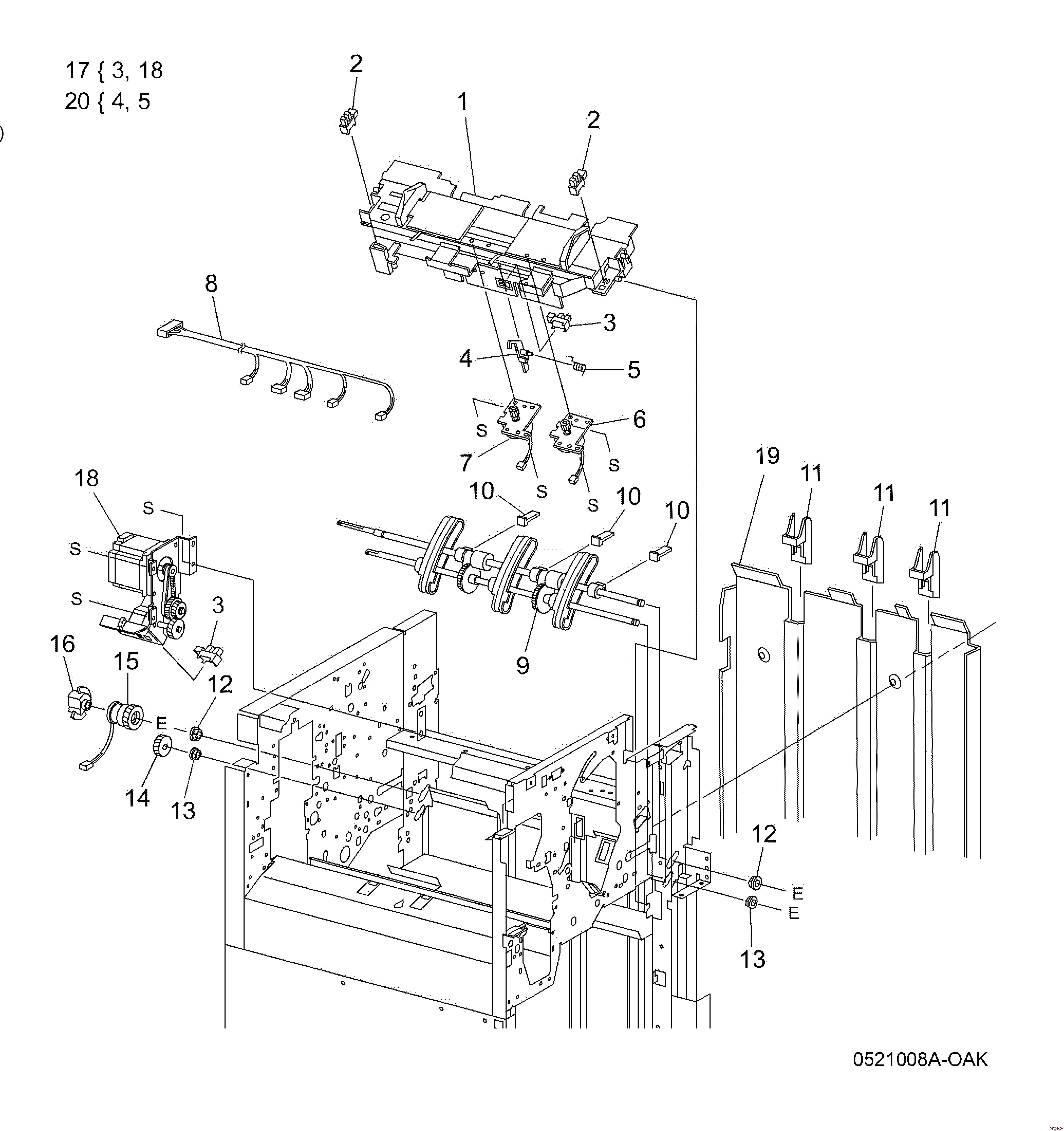
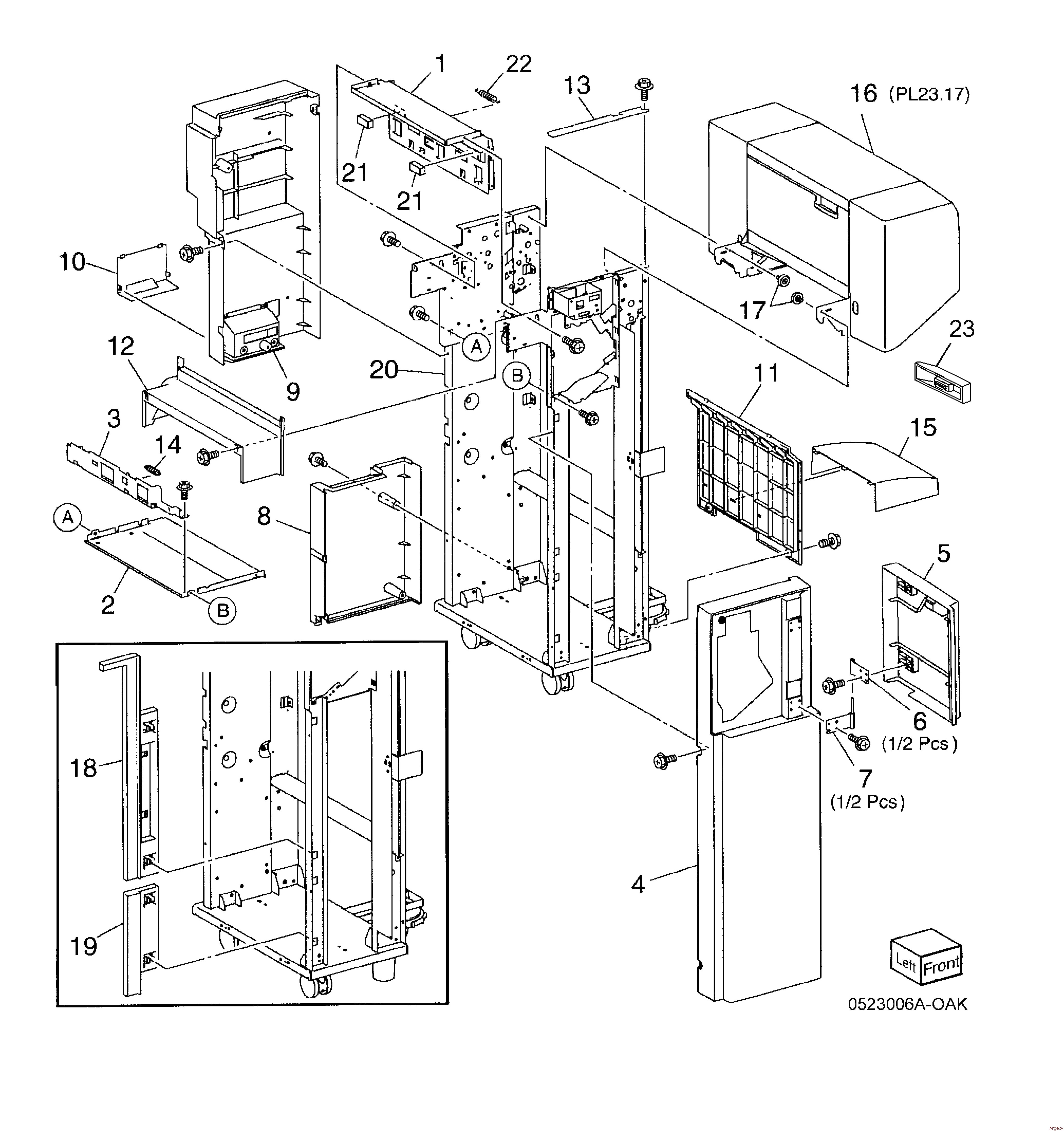
1 A/P Finisher
2 - H-Transport Assembly
3 Booklet Maker
4 Booklet Tray
5 - Decurler Transport Assembly
6 Finisher Plate
Xerox Finisher 7525 7530 7535 7545 7556 7800 7830 7835 7845 7855 Parts
PL 21.2 Finisher Cover
1

2

3

4 Eject Cover
5

6 Bottom Cover
7

8

9 - Rear Lower Cover
10 - H-Transport Connector Cover
11 - Rear Upper Cover
12 - Nut M12X1.25 (Not Spared
Xerox Finisher 7525 7530 7535 7545 7556 7800 7830 7835 7845 7855 Parts
PL 21.3 Finisher Cover
1 - Front Top Cover
2

3 Front Door
4 Hinge Bracket
5 - Front Right Cover
6

7 Spring
8

9 Left Top Cover
10

11

12 Shield Assembly
13
Xerox Finisher 7525 7530 7535 7545 7556 7800 7830 7835 7845 7855 Parts
PL 21.4 Finisher Stack
1 Stacker Tray Bracket
2

3 - Stacker Drive Belt
4 - Left Carriage Bracket
5 Belt Clamp
6

7

8

9 - Stacker Drive Belt
10 Belt Clamp
11 Right Carriage Bracket
12 Stacker Sensor Actuator
13

14 Elevator Drive Shaft
15
413W11860 Bearing
Fully refurbished with 90-day warranty
413W11860



16

17
130K88770 Sensor
New
130K88770 (New) 3-4 Day Lead
$37.00



No Paper Sensor
18
020E37710 Clutch Pulley
New
020E37710 (New)
$121.00



19
807E04730 Clutch Gear
New
807E04730 (New) 3-4 Day Lead
$76.16



20

21 Washer
22 Sensor Bracket
23
146E01770 Encoder
New
146E01770 (New)
$45.00



24

25 Elevator Motor Drive Belt
26 Elevator Motor
27 Upper Limit Sensor
28 Bracket
29
Xerox Finisher 7525 7530 7535 7545 7556 7800 7830 7835 7845 7855 Parts
PL 21.5 Finisher Punch
1

1 801K30940 2/4 Hole Punch Assembly
2 - Puncher Unit Harness
3 - Puncher Motor Cover
4
015K65880 Bracket Assembly Motor Punch
New
015K65880 (New)
$99.00



5 Frame Assembly Holder
6 - Sensor Registration Bracket Assembly
7 - Front Punch Cover
8 - Side Registration Sensor 1 and 2
9
IBM Infoprint 2105es (IBM 2706-001)
Fully refurbished with 90-day warranty
2706-001 Features:2924 English Language; 4520 4450-Sheet High Capacity Feeder; 4600 Interposer Tray; 4610 100-Staple Finisher; 4620 2/3 Hole Punch Kit; 4822 IPDS
Exceeds UPS shipping dimensions / weight.



10 - Left Punch Cover
11 Guide Assembly
12

13 - Punch Motor Sensor
14 Punch Motor Bracket Assembly
15 - Front Punch Sensor , Home Punch Sensor , Hole Select Punch Sensor
16 Sensor Bracket
17 Punch Move Home Sensor
18 - Punch Move Home Sensor Assembly
19

20
130K88770 Sensor
New
130K88770 (New) 3-4 Day Lead
$37.00



21 Bracket
22 Bracket
23 Motor Bracket
24 Bracket
Xerox Finisher 7525 7530 7535 7545 7556 7800 7830 7835 7845 7855 Parts
PL 21.6 Finisher Stapler
1
050K51250 Main Staple Cartridge
New
050K51250 (New) 3-4 Day Lead
$80.24



2
029K92350 Stapler Assembly
New
029K92350 (New) 3-4 Day Lead
$383.52



3 Stapler Cover
4 Stapler Holder
5
130K88770 Sensor
New
130K88770 (New) 3-4 Day Lead
$37.00



6 - Stapler Harness Guide
7

8 - Upper Stapler Carriage
9

10
001E66640 Stapler Rai
Fully refurbished with 90-day warranty
001E66640



11 Stapler Frame
Xerox Finisher 7525 7530 7535 7545 7556 7800 7830 7835 7845 7855 Parts
PL 21.7 Finisher Eject
1 Eject Chute Assembly
2
121E92720 Magnet
Fully refurbished with 90-day warranty
121E92720



3 Sub Paddle Solenoid
4 Solenoid Bracket
5

6 Cyclone Paddle
7

8 Solenoid Spring
9

10 Eject Clamp Motor Assembly
11

12 - Eject Clamp Bracket
13
130K70160 Sensor
New
130K70160 (New) 3-4 Day Lead
$66.64



14
011K97710 Lever Assembly
New
011K97710 (New)
$39.00



15
413W11860 Bearing
Fully refurbished with 90-day warranty
413W11860



16

17 Bushing
18

19

20

21 Wire Clip
22 Switch Bracket
23 Eject Cover Switch
24 Entrance Knob
25 Wire Clamp
26 Wire Clip
27 Eject Pinch Shaft
28 Eject Chute
29 Eject Chute Unit Assembly
30
423W29454 Belt
Fully refurbished with 90-day warranty
423W29454



31 Motor Bracket
Xerox Finisher 7525 7530 7535 7545 7556 7800 7830 7835 7845 7855 Parts
PL 21.8 Finisher Eject
1

2
130K88770 Sensor
New
130K88770 (New) 3-4 Day Lead
$37.00



3
130K70160 Sensor
New
130K70160 (New) 3-4 Day Lead
$66.64



4

5 Torsion Spring
6 Front Tamper Motor
7 Rear Tamper Motor
8

9

10

11 Paddle Guide
12 Bushing
13 Bushing
14

15
121K34631 Clutch - Eject Clamp - Z34
New
121K34631 (New)
$62.56



16

17

18 Motor
19 Inner Cover
20 Actuator Kit
Xerox Finisher 7525 7530 7535 7545 7556 7800 7830 7835 7845 7855 Parts
PL 21.9 Finisher Eject
1 - Sensor Bracket Assembly
2 Compiler Sensor Harness
3

4

5 Upper Exit Chute
6 Lower Exit Roll
7 Lower Exit Roll Chute Assembly
8 - Lower Exit Roll Chute
9 Bushing
10
022K67870 Roller Assembly-Pinch Exit
New
022K67870 (New)
$49.00



11

12

13 Synchronous Belt
14 Pulley
15 Paddle Drive Shaft
16 Pulley
17 Bearing
18
020E37690 Pulley
New
020E37690 (New)
$29.00



19

20
020E37660 Pulley
New
020E37660 (New)
$35.00



21
020E37670 Pulley
New
020E37670 (New)
$35.00



22
Xerox Finisher 7525 7530 7535 7545 7556 7800 7830 7835 7845 7855 Parts
PL 21.10 Finisher Transport
1 - Lower Exit Chute Assembly
2 Pinch Roller
3 Spring
4 Shaft
5 Torsion Spring
6

7

8
121E92720 Magnet
Fully refurbished with 90-day warranty
121E92720



9 Bushing
10 - Top Buffer Chute Assembly
11 Sensor Bracket
12

13

14
054K27160 Chute Assembly-Buffer Bottom
New
054K27160 (New)
$47.00



15 Exit Pinch roller
16
054K38821 Upper Entrance Chute Assembly
New
054K38821 (New) 3-4 Day Lead
$106.08



16
054K38820 Upper Chute
New
054K38820 (New) 3-4 Day Lead
$106.08



17 Entrance Pinch Roller
18 Sensor Bracket
19
130E87370 SENSOR (Transport X-port Entrance Sensor)
New
130E87370 (New) 3-4 Day Lead
$63.92



20

21
127K40282 Transport Motor Fin
New
127K40282 (New)
$91.12



22 Motor Bracket
23
423W87054 BELT (Transport Belt)
New
423W87054 (New)
$55.00



24

25 Tension Spring
26 Tension Bracket
27
413W66250 Ball bearing
New
413W66250 (New) 3-4 Day Lead
$59.84



28 Gear
29
020E37660 Pulley
New
020E37660 (New)
$35.00



30

31 Gear
32

33

34

35
050K66810 Booklet Gate
New
050K66810 (New)
$10.00



36 Chute
37 Buffer Gate
38 Guide
39 Upper Entrance Chute
40 Guide
41 Harness Guide
42 Wire Harness
43 - Lower Exit Chute
44
Xerox Finisher 7525 7530 7535 7545 7556 7800 7830 7835 7845 7855 Parts
PL 21.11 Finisher Transport
1

2

3

4 - Top Tray Lower Exit Baffle
5

6 Sensor Bracket
7
130E87370 SENSOR (Transport X-port Entrance Sensor)
New
130E87370 (New) 3-4 Day Lead
$63.92



8 Magnet
9 Bushing
10

11 Pinch Roller
12 Spring
13 Shaft
14 Chute Assembly
15
130E87410 Sensor
New
130E87410 (New) 3-4 Day Lead
$81.60



16 Sensor Harness
17 Sensor Bracket
18

19 Pulley
20 413W66150 Bearing
21
020E37690 Pulley
New
020E37690 (New)
$29.00



22 Pulley
23 Tension Bracket
24 Tension Spring
25
020E37700 Pulley
New
020E37700 (New)
$35.00



26

27
423W40054 Belt (Registration Belt)
New
423W40054 (New)
$35.00



28
423W86454 Belt (Exit Belt)
New
423W86454 (New) 3-4 Day Lead
$72.08



29 Motor Bracket
30
127K40282 Transport Motor Fin
New
127K40282 (New)
$91.12



31 - Upper Exit Chute
32

33 Booklet Entrance Roll
34

35 - Chute Assembly
36 Booklet Chute
37 Torsion Spring
38 Pinch Roll Assembly
39 Plate
40

41
121E92720 Magnet
Fully refurbished with 90-day warranty
121E92720



42

43
Xerox Finisher 7525 7530 7535 7545 7556 7800 7830 7835 7845 7855 Parts
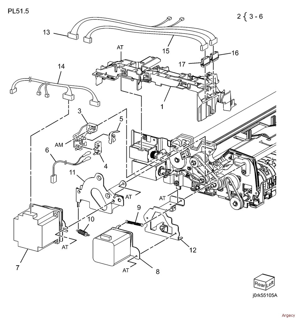
PL 21.12 Finisher Electrical
1 Left Harness Guide
2 Right Harness Guide
3

4 Finisher PWB Cover
5 Finisher PWB Cover
6

7

8 LVPS Wire Harness
9 Screw
10

11 Bracket
12

13 Harness Assembly
14 Harness Guide
15 Harness Guide
16 Connector Plate
17

18
Xerox Finisher 7525 7530 7535 7545 7556 7800 7830 7835 7845 7855 Parts
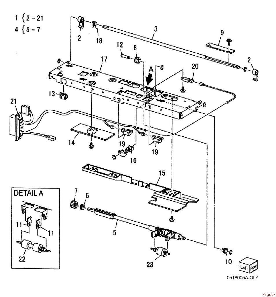
PL 21.13 Finisher Harness
1 Main Sensor Harness
2 Main Drive Harness
3 Interface Harness
4 - Transport Entrance Sensor Harness
5 - Buffer Sensor Harness
6 - Top Exit Sensor Harness
7 Top Sensor Harness
8 Punch Drive Harness
9 - Punch Sensor Harness
10 LVPS Harness
11

12 960K54831 Booklet PWB
Xerox Finisher 7525 7530 7535 7545 7556 7800 7830 7835 7845 7855 Parts
PL 21.15 Booklet Accessory
1 Tray Guide Assembly
2 Screw
3 Right Rail
4 Wire Harness
5
050K62855 Tray Assembly Book
New
050K62855 (New) 3-4 Day Lead
$527.68



6 Knob Screw
7
130K88770 Sensor
New
130K88770 (New) 3-4 Day Lead
$37.00



8 Label
9 Label
10 Label
11 015K79780 Right Side Assembly
12 801K29032 Booklet Drawer Assembly
13 Left Rail
14 015K67980 Left Rail Assembly
15 068K55260 Connector Assembly
16 962K59080 Wire Harness
17 962K59090 Wire Harness
18 962K59100 Wire Harness
Xerox Finisher 7525 7530 7535 7545 7556 7800 7830 7835 7845 7855 Parts
PL 21.16 Booklet Component
1 Right Stapler Rail
2 423W45954 Belt
3 Harness Cover
4 Bearing
5 499W14432 Gear
6 005E24900 Collar
7 Shaft
8 Ball Bearing
9 003E63390 Knob
10 Bracket
11 Staple
12 Latch
13 Stapler Base
14 Front Cover
15 Paper Guide
16 Left Cover
17 Left Stapler Rail
18 Label
19 Label
20 029K92175 Booklet Stapler Unit
21 Front Cover
22 Cover
23 Paper Guide
24 Label
25 105E15120 Eliminator
26 - Booklet Assembly
27 - Frame Assembly
28 Paper Guide
29 Label
30 020E45160 Pulley
31 Guide
Xerox Finisher 7525 7530 7535 7545 7556 7800 7830 7835 7845 7855 Parts
PL 21.17 Booklet Component
1 054K39250 Compile Chute Assembly
2 127K51990 Booklet End Guide Motor
3 Pulley
4 Gear Pulley
5 Washer
6 Belt
7
130K70160 Sensor
New
130K70160 (New) 3-4 Day Lead
$66.64



8 Shaft
9 Bracket
10 Gear
11 Booklet Paddle Motor
12 - Gear
13 Bracket
14 - Booklet Paddle Motor Assembly
15 Belt Clamp
16 Paddle Bracket
17 Paddle Shaft Assembly
18 Chute
19 End Guide
20 - Support Bracket
21 Adjust Bracket
22 Compile Chute
23 Chute
24 Gear
25 Guide
Xerox Finisher 7525 7530 7535 7545 7556 7800 7830 7835 7845 7855 Parts
PL 21.18 Booklet Component
1 Bracket
2 Wire Harness
3
130K70160 Sensor
New
130K70160 (New) 3-4 Day Lead
$66.64



4 Chute
5 Shaft
6 Actuator
7
413W11860 Bearing
Fully refurbished with 90-day warranty
413W11860



8 Joint
9 Shaft
10 Shaft
11 Bearing
12 Bracket
13 Knife Bracket Assembly
14 Guide
15 Shaft
16 Shaft
17 807E02061 Gear
18 Bracket
19
130E87410 Sensor
New
130E87410 (New) 3-4 Day Lead
$81.60



20 015K75682 Knife Assembly
21 Tie Plate
22 Edge Saddle
23 Clamp
Xerox Finisher 7525 7530 7535 7545 7556 7800 7830 7835 7845 7855 Parts
PL 21.19 Booklet Component
1 Front Tamper Guide
2 - Rear Tamper Guide
3 Clamp
4 Clamp
5 032E27380 Guide
6 Frame
7
130K88770 Sensor
New
130K88770 (New) 3-4 Day Lead
$37.00



8 - Static Eliminator
9
127K58040 Front tamper motor
New
127K58040 (New) 3-4 Day Lead
$204.00



10 Bracket
11 038K18720 Compile Guide
Xerox Finisher 7525 7530 7535 7545 7556 7800 7830 7835 7845 7855 Parts
PL 21.20 Booklet Component
1 022K71020 Booklet Pre-Folding Roll
2 022K71040 Booklet Pre-Folding Nip Roll
3 022K66870 Booklet Folding Roll
4 022K66880 Booklet Folding Nip Roll
5 Ball Bearing
6 Shaft
7 Bearing
8 815E44910 Tension Plate 1
9 Spring
10 815E44920 Tension Plate 2
11 Spring
12 - Booklet Eject Roll
13 020E37140 Pulley
14 815E36110 Spring Plate
15 807E02040 Gear Pulley
16 Belt
17 007E89980 Gear
18 007E89990 Gear
19 007E89970 Gear
20 807E09510 Gear
21 007E77770 Gear
22 022E96060 Roll
Xerox Finisher 7525 7530 7535 7545 7556 7800 7830 7835 7845 7855 Parts
PL 21.21 Booklet Component
1 Chute
2 - Static Eliminator
3 Screw
4 Bracket
5
130E87370 SENSOR (Transport X-port Entrance Sensor)
New
130E87370 (New) 3-4 Day Lead
$63.92



6 Pinch Roll
7 Chute
8 Booklet In Roll
9 Ball Bearing
10 Gear
12 Harness Cover
13 Bearing
14 Gear
18 - Upper Exit Chute
19 Bracket
20 Wire Harness
21
130E87410 Sensor
New
130E87410 (New) 3-4 Day Lead
$81.60



22 - Lower Exit Chute
23
121E92720 Magnet
Fully refurbished with 90-day warranty
121E92720


Xerox Finisher 7525 7530 7535 7545 7556 7800 7830 7835 7845 7855 Parts
PL 21.22 Booklet Component
1 Bracket
2 127K52400 Booklet Fold Motor
3 Bracket
4 127K51990 Booklet Paper Path Motor
5 Bracket
6 Bracket
7 007E77620 Gear
8 807E20000 Gear
9 007E77600 Gear
10
120E28080 Knife Solenoid
New
120E28080 (New) 3-4 Day Lead
$76.16



11 807E01750 Gear
12 Ball Bearing
13 809E41620 Spring
14
962K57710 Harnes Assembly
New
962K57710 (New) 3-4 Day Lead
$106.08



15 962K57680 Wire Harness
16 962K57690 Wire Harness
17 Bracket
18 Bracket
19 Bracket
20 Spring
21 Spacer
22 807E02080 Gear
23 049K00770 Link
24 Belt
25 807E19210 Gear Pulley
Xerox Finisher 7525 7530 7535 7545 7556 7800 7830 7835 7845 7855 Parts
PL 21.23 Booklet Tray Component
1 Tray
2 Upper Tray
3 Bracket
4
127K58932 Motor Assembly
New
127K58932 (New) 3-4 Day Lead
$190.40



5 Bracket
6 Spring
7 Gear Pulley
8 Roll
9 Belt
10 Pulley
11 Bearing
12 Roll
13 Shaft
14 Shaft
15
930w00112 Sensor-Photo In (No Paper And Level Sensor)
New
930W00112 (New) 3-4 Day Lead
$39.44



16 Bracket
17 Actuator
18 Spring
19 Bracket
20 Lower Tray
21 Bracket
22 023E27160 Belt
Xerox Finisher 7525 7530 7535 7545 7556 7800 7830 7835 7845 7855 Parts
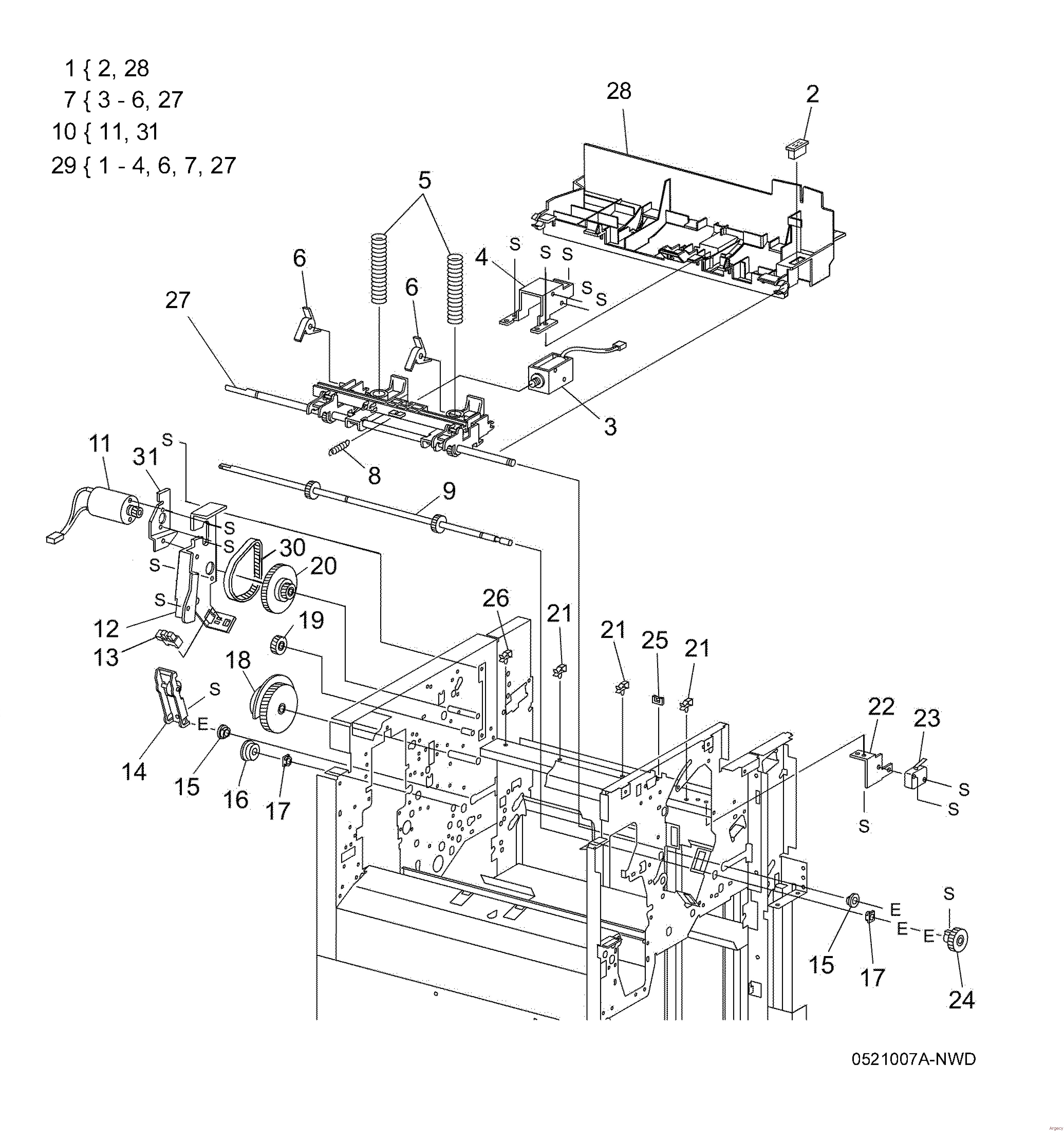
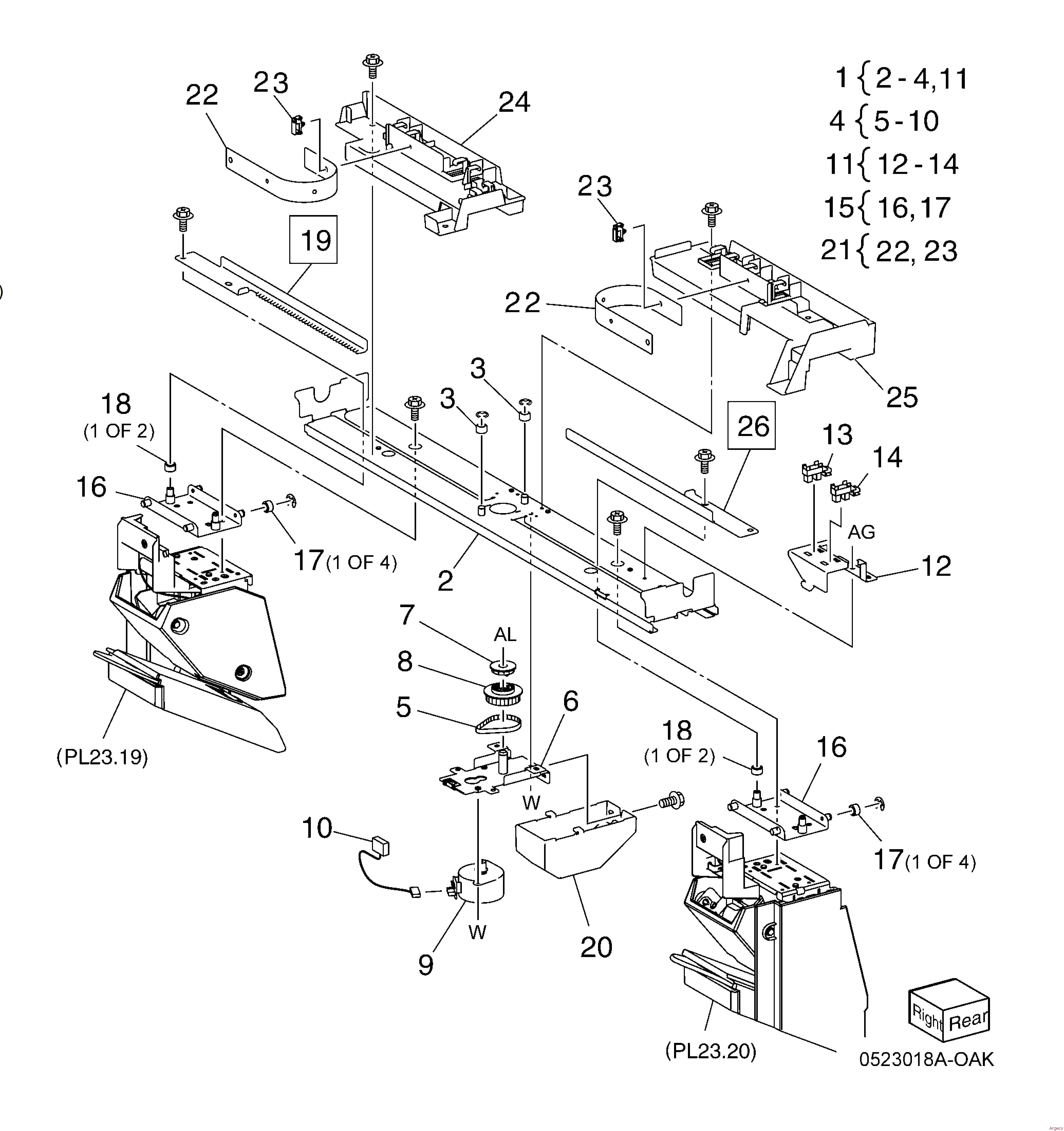
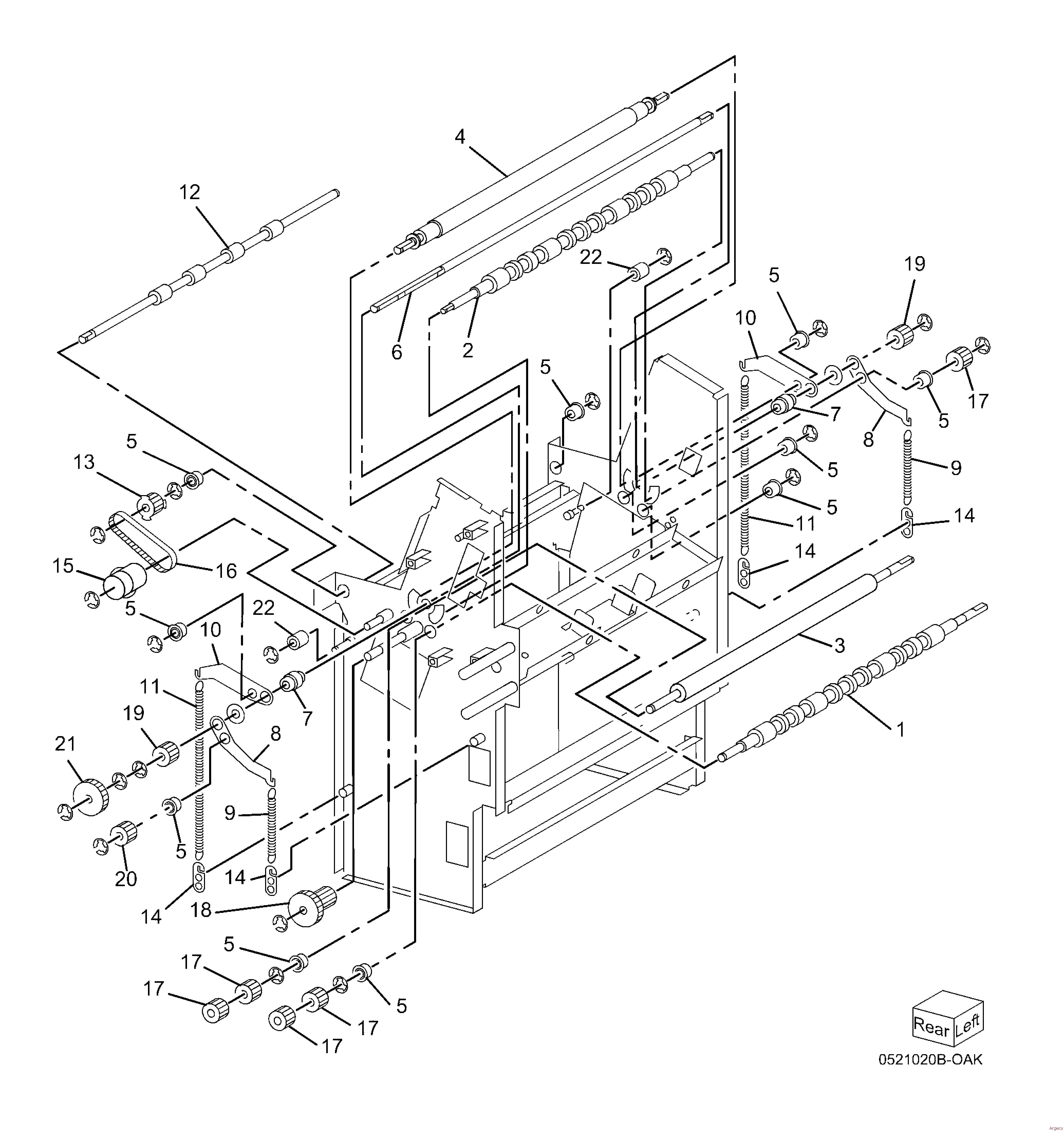
PL 21.24 H-Transport
1 H-Transport Assembly
2 003K17251 Knob
3 Lower Chute Assembly
4 Left Upper Chute Assembly
5 059K55857 Decurler Transport Assembly
6 423W27054 Belt
7 - Connector Cover
8 Bracket
9 Decurler Front Cover
10 848E18480 Rear Cover
11 848E18490 Decurler Rear Cover
12 848E18501 Decurler Right Hand Cover
13 848E18522 Decurler Top Cover
14 - Top Cover Assembly
15 Stud Bracket
16 962K61011 Wire Harness
17 Shield
18 Shield
Xerox Finisher 7525 7530 7535 7545 7556 7800 7830 7835 7845 7855 Parts
PL 21.25 H-Transport
1 Top Cover Assembly
2 - Hinge Assembly
3 Bracket
4 - Pinch Roll Assembly
5 - Upper Chute
6 - Upper Plate Chute
7 Upper Chute Spring
8 848K37393 Top Cover Assembly
9 054K35352 Upper Chute Assembly
Xerox Finisher 7525 7530 7535 7545 7556 7800 7830 7835 7845 7855 Parts
PL 21.26 H-Transport
1 Lower Chute Assembly
2 005E19650 Clutch
3 011E16881 Joint
4
020E37740 Pulley
New
020E37740 (New)
$29.00



5 020E45620 Pulley
6 020E45630 Pulley
7 020E45640 Pulley
8 059K55790 Roll Assembly
9 - Roll Shaft Assembly
10
130K70160 Sensor
New
130K70160 (New) 3-4 Day Lead
$66.64



11 Sensor Bracket
12 - H-Transport Entrance Sensor
13 Sensor Bracket
14 068K58521 Tension Bracket Assembly
15 Belt
16 Bracket Assembly Tension
17
121E92720 Magnet
Fully refurbished with 90-day warranty
121E92720



18 Spring
19 Bearing
20 Sleeve Bearing
21 - H-Transport Drive Belt
Xerox Finisher 7525 7530 7535 7545 7556 7800 7830 7835 7845 7855 Parts
PL 21.27 H-Transport
1 007K14910 One Way Gear Assembly
2 008E96860 Decurler Cam
3 Bracket
4
130K70160 Sensor
New
130K70160 (New) 3-4 Day Lead
$66.64



5 Sensor Bracket
6 Actuator
7
121K41980 Decurler Cam Clutch
New
121K41980 (New) 3-4 Day Lead
$61.20



8 Bearing
9 Bearing
10 Shaft
11 807E24170 Knob Gear
12 807E24180 Gear
13 807E24190 Gear
14 Bracket
15 - Harness Bracket
16 Sensor Bracket
17 801K30761 Decurler Frame Assembly
Xerox Finisher 7525 7530 7535 7545 7556 7800 7830 7835 7845 7855 Parts
PL 21.28 H-Transport
1 Collar
2 Shaft
3 Gear
4 031E97550 Arm
5 - Decurler Upper Chute Assembly
6 - Decurler Lower Chute Assembly
7 059K55801 Decurler Roll Assembly
8 068K58501 H-Transport Exit Sensor
9 Bearing
10 Bearing
11 Bearing
12 423W29254 Belt
13 423W26654 Belt
14 Shaft
15 Gear
16 - Gear
17 - Gear
18 - Gear
19 - Harness Bracket
20 Decurler Shield
21 Plate
22 - H-Transport Motor
23 127K57061 H-Transport Motor Assembly
Xerox Finisher 7525 7530 7535 7545 7556 7800 7830 7835 7845 7855 Parts
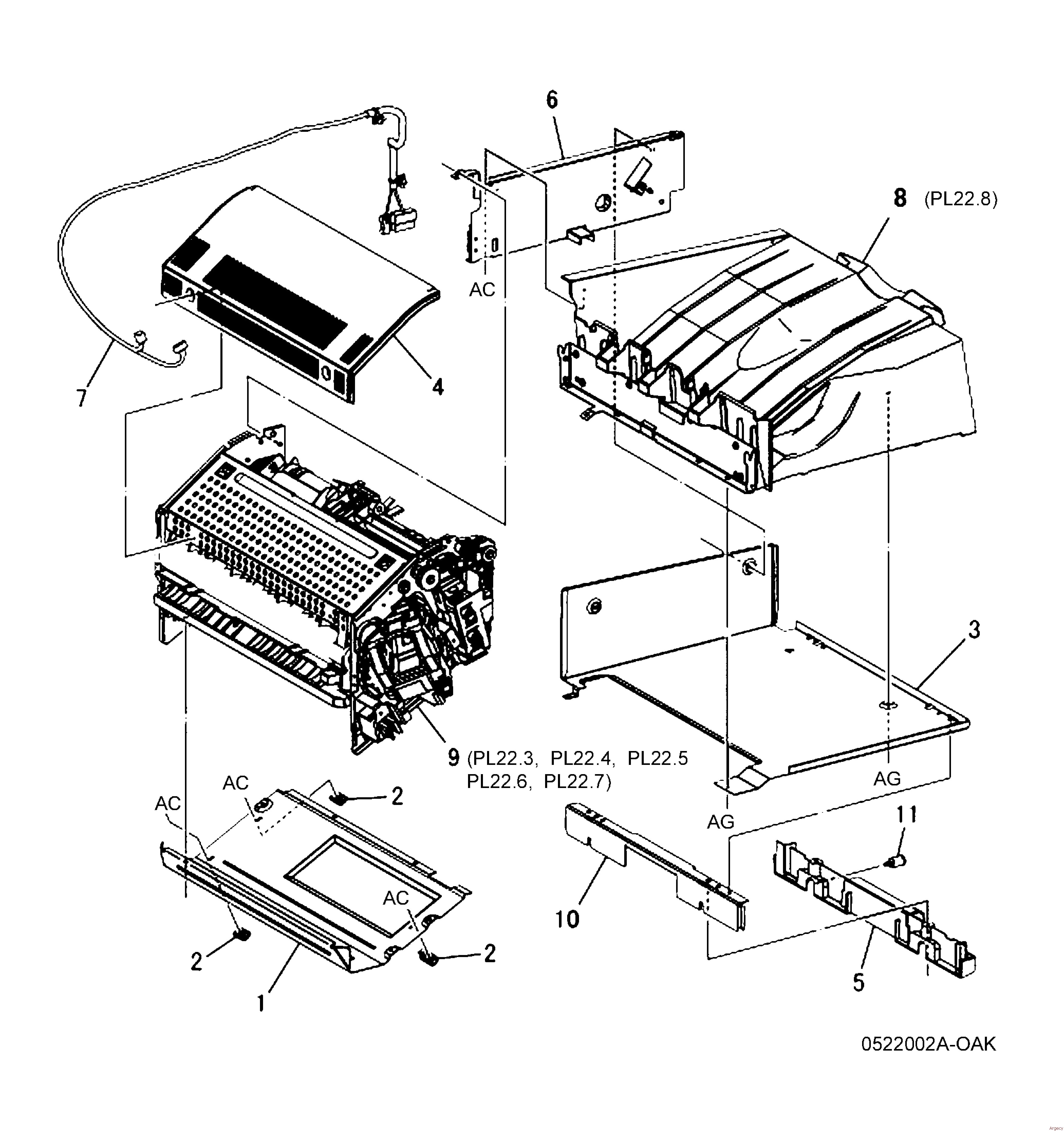
PL 22.1 Finisher Assembly (Part 1 of 2) (Integrated Office Finisher)
1 848K36702 Front Cover Assembly
2 Front Cover (P/O PL 22.1 Item 1)
3 Bracket (P/O PL 22.1 Item 1)
4 Magnet (P/O PL 22.1 Item 1)
5 Label (P/O PL 22.1 Item 1)
6 848E50760 Front Inner Cover
7 068K29871 Hinge
8 068K29880 Hinge
9 848K38630 Top Cover Assembly
10 Top Cover (P/O PL 22.1 Item 9)
11 Bracket (P/O PL 22.1 Item 9)
12 Stopper (P/O PL 22.1 Item 9)
13 Magnet (P/O PL 22.1 Item 9)
14 848E50790 Rear Cover
15 Hinge (Not Spared)
16 815E60280 IIT Cover
17
042E92330 Static eliminator
New
042E92330 (New) 3-4 Day Lead
$85.68


042E92330 Static eliminator
Fully refurbished with 90-day warranty
042E92330


Xerox Finisher 7525 7530 7535 7545 7556 7800 7830 7835 7845 7855 Parts
PL 22.2 Finisher Assembly (Part 2 of 2) (Integrated Office Finisher)1 Bottom Cover (Not Spared)
2 Spacer (Not Spared)
3 Tray Cover (Not Spared)
4 848E50770 Left Cover
5 068K69530 Tray Support
6 Rear Bracket (Not Spared)
7
962K42291 Wire harness
New
962K42291 (New) 3-4 Day Lead
$118.32


962K42291 Wire harness
Fully refurbished with 90-day warranty
962K42291



8 050K64830 Stacker Tray Assembly (REP 22.16)
9 Stacker Base Assembly (not Spared)
10 Extended Tray Assembly (not Spared)
11 Screw (Not Spared
Xerox Finisher 7525 7530 7535 7545 7556 7800 7830 7835 7845 7855 Parts
PL 22.3 Stacker Base Assembly (Part 1 of 5) (Integrated Office Finisher)
1 003E65500 Knob
2
005E89470 Collar
New
005E89470 (New) 3-4 Day Lead
$39.44


005E89470 Collar
Fully refurbished with 90-day warranty
005E89470



3 423W10454 Belt
4 012K96370 Link Shaft Assembly
5 Link Shaft (P/O PL 22.3 Item 4)
6 012E16150 Support
7 Sub Paddle Shaft Assembly (P/O PL 22.3 Item 4)
8 Bearing (P/O PL 22.3 Item 4)
9 423W06054 Paddle Belt (REP 22.2)
10
413W75959 Bearing
New
413W75959 (New) 3-4 Day Lead
$25.00



11 020K13900 Pulley
12 005E89490 Collar
13 807E13260 Gear (21T)
14 120E27240 Actuator
15 802K85560 Knob Cover Assembly
16 Knob Cover (P/O PL 22.3 Item 15)
17 Spring (P/O PL 22.3 Item 15)
18 012K94990 Sub Paddle Solenoid Assembly
19 Bracket (Not Spared)
20
130K70160 Sensor
New
130K70160 (New) 3-4 Day Lead
$66.64


130K70160 IIT Regi. Sensor
Fully refurbished with 90-day warranty
130K70160
$37.00



21
110K12980 Finisher top cover interlock
New
110K12980 (New) 3-4 Day Lead
$78.88


110K12980 Finisher top cover interlock
Fully refurbished with 90-day warranty
110K12980



22 Support (P/O PL 22.3 Item 18)
23 Cushion (P/O PL 22.3 Item 18)
24 Link (P/O PL 22.3 Item 18)
25 Arm (P/O PL 22.3 Item 18)
26 Bracket (P/O PL 22.3 Item 18)
27
121K34620 Solenoid Assembly (Sub Paddle Solenoid)
New
121K34620 (New) 3-4 Day Lead
$63.92



28 Spring (P/O PL 22.3 Item 18)
Xerox Finisher 7525 7530 7535 7545 7556 7800 7830 7835 7845 7855 Parts
PL 22.4 Stacker Base Assembly (Part 2 of 5) (Integrated Office Finisher)
1 Compile Assembly (REP 22.20)
2
029K92350 Stapler Assembly
New
029K92350 (New) 3-4 Day Lead
$383.52



3 Cartridge (P/O PL 22.4 Item 2)
4 Stapler (P/O PL 22.4 Item 2)
5 Bracket (Not Spared)
6 Support (Not Spared)
7
930W00111 Sensor
New
930W00111 930W00122 930W00121 130E82190 (New) 4-5 day lead time to ship
$37.00


930W00111 Sensor
Fully refurbished with 90-day warranty
930W00111




8
962K44980 Wire Harness
New
962K44980 (New) 3-4 Day Lead
$111.52



9
022K72790 Exit roll assembly
New
022K72790 (New) 3-4 Day Lead
$89.76


022K72790 Exit roll assembly
Fully refurbished with 90-day warranty
022K72790



10 Exit Roll (P/O PL 22.4 Item 9)
11 004E15340 Damper
12 004E15330 Center Damper
13 Bearing (Not Spared)
14
007K94220 One way gear
New
007K94220 (New) 3-4 Day Lead
$76.16


007K94220 One way gear
Fully refurbished with 90-day warranty
007K94220



15
005E89470 Collar
New
005E89470 (New) 3-4 Day Lead
$39.44


005E89470 Collar
Fully refurbished with 90-day warranty
005E89470



16 807E13230 Gear Pulley (16T/18T)
17
127K49800 Transport motor
New
127K49800 (New) 3-4 Day Lead
$136.00


127K49800 Transport motor
Fully refurbished with 90-day warranty
127K49800 3-4 Day Lead
$39.44



18
423W06954 Belt
New
423W06954 (New) 3-4 Day Lead
$76.16


423W06954 Belt
Fully refurbished with 90-day warranty
423W06954


Xerox Finisher 7525 7530 7535 7545 7556 7800 7830 7835 7845 7855 Parts
PL 22.5 Stacker Base Assembly (Part 3 of 5) (Integrated Office Finisher)
1 807E13250 Gear Pulley (37T/45T)
2 005E89480 Collar
3
413W75959 Bearing
New
413W75959 (New) 3-4 Day Lead
$25.00



4
006K25001 Main paddle shaft assembly
New
006K25001 (New) 3-4 Day Lead
$106.08


006K25001 Main paddle shaft assembly
Fully refurbished with 90-day warranty
006K25001



5 423W09854 Belt
6 Shaft (Not Spared)
7
413W11860 Bearing
Fully refurbished with 90-day warranty
413W11860



8 020E43500 Pulley (19T)
9
054K30361 Lower chute assembly
New
054K30361 (New) 3-4 Day Lead
$126.48


054K30361 Lower chute assembly
Fully refurbished with 90-day warranty
054K30361



10 Lower Chute (P/O PL 22.5 Item 9)
11
022K73190 Nip roll
New
022K73190 (New) 3-4 Day Lead
$47.60


022K73190 Nip roll
Fully refurbished with 90-day warranty
022K73190



12
809E65931 Spring
New
809E65931 (New) 3-4 Day Lead
$48.96


809E65931 Spring
Fully refurbished with 90-day warranty
809E65931



13 Support (Not Spared)
14 Bracket (Not Spared)
15 Bracket (Not Spared)
16
130K93251 Compiler exit sensor assembly
Fully refurbished with 90-day warranty
130K93251



17
807E13240 Gear Z27L
New
807E13240 (New) 3-4 Day Lead
$85.68



18 Bracket (Not Spared)
19
Xerox Finisher 7525 7530 7535 7545 7556 7800 7830 7835 7845 7855 Parts
PL 22.6 Stacker Base Assembly (Part 4 of 5) (Integrated Office Finisher)
1 068K29931 Bracket
2 068K29941 Bracket
3
054K42690 Upper chute assembly
New
054K42690 (New) 3-4 Day Lead
$106.08


054K42690 Upper chute assembly
Fully refurbished with 90-day warranty
054K42690



4 Upper Chute (P/O PL 22.6 Item 3)
5 042E92241 Eliminator
6
022K72782 Entry roll
New
022K72782 (New) 3-4 Day Lead
$96.56


022K72782 Entry roll
Fully refurbished with 90-day warranty
022K72782



7 031E97041 Arm
8 031E97020 Arm
9
413W66250 Ball bearing
New
413W66250 (New) 3-4 Day Lead
$59.84



10 Spring (Not Spared)
11
042E92330 Static eliminator
New
042E92330 (New) 3-4 Day Lead
$85.68


042E92330 Static eliminator
Fully refurbished with 90-day warranty
042E92330



12 Guide Paper (P/O PL 22.6 Item 3)
Xerox Finisher 7525 7530 7535 7545 7556 7800 7830 7835 7845 7855 Parts
PL 22.7 Stacker Base Assembly (Part 5 of 5) (Integrated Office Finisher)
1 960K50450 Finisher PWB (REP 22.15)
2 055K30850 Connector Bracket
3 Harness Guide (Not Spared)
4 PWB Bracket (Not Spared)
5 Wire Harness (Drive) (Not Spared)
6 Wire Harness (Stapler) (not Spared)
7 Wire Harness (Interlock) (not Spared)
8 Wire Harness (Front Sensor) (not Spared)
9 Wire Harness (Compile) (not Spared)
10 Wire Harness (Stacker) (not Spared)
11 Bracket (Not Spared)
12

Xerox Finisher 7525 7530 7535 7545 7556 7800 7830 7835 7845 7855 Parts
PL 22.8 Stacker Tray Assembly
(Integrated Office Finisher)
1 Bearing (P/O PL 22.2 Item 8)
2 Top Tray (P/O PL 22.2 Item 8)
3 Bracket (P/O PL 22.2 Item 8)
4 Plate (P/O PL 22.2 Item 8)
5 Bracket (P/O PL 22.2 Item 8)
6 Base Tray (P/O PL 22.2 Item 8)
7 Base Bracket (P/O PL 22.2 Item 8)
8 006K25031 Stacker Shaft Assembly (REP 22.17)
9 127K49420 Stacker Motor (REP 22.18)
10 Pulley (60T) (P/O PL 22.2 Item 8)
11 Worm Gear (P/O PL 22.2 Item 8)
12 Gear (16T/32T) (P/O PL 22.2 Item 8)
13 Stud (P/O PL 22.2 Item 8)
14 Bracket (P/O PL 22.2 Item 8)
15 Bearing (P/O PL 22.2 Item 8)
16 423W07354 Belt (P/O PL 22.2 Item 8)
17 Bracket (P/O PL 22.2 Item 8)
18
930W00111 Sensor
New
930W00111 930W00122 930W00121 130E82190 (New) 4-5 day lead time to ship
$37.00


930W00111 Sensor
Fully refurbished with 90-day warranty
930W00111




19 Actuator (P/O PL 22.2 Item 8)
20 Wire Harness (P/O PL 22.2 Item 8)
Xerox Finisher 7525 7530 7535 7545 7556 7800 7830 7835 7845 7855 Parts
PL 22.9 Compile Assembly (Part 1 of 2) (Integrated Office Finisher)
1
006K25010 Shaft Assembly Clip
New
006K25010 (New) 3-4 Day Lead
$106.08



2
120E27220 Actuator
New
120E27220 (New) 3-4 Day Lead
$58.48



3
413W11860 Bearing
Fully refurbished with 90-day warranty
413W11860



4
006K25020 Eject shaft assembly
New
006K25020 (New) 3-4 Day Lead
$85.68


006K25020 Eject shaft assembly
Fully refurbished with 90-day warranty
006K25020



5 Eject Shaft (P/O PL 22.9 Item 4)
6 Spacer (P/O PL 22.9 Item 4)
7 Pulley (P/O PL 22.9 Item 4)
8
068K29830 Eject/set clamp motor assembly
New
068K29830 (New) 3-4 Day Lead
$174.08


068K29830 Eject/set clamp motor assembly
Fully refurbished with 90-day warranty
068K29830 3-4 Day Lead
$53.04



9
930W00111 Sensor
New
930W00111 930W00122 930W00121 130E82190 (New) 4-5 day lead time to ship
$37.00


930W00111 Sensor
Fully refurbished with 90-day warranty
930W00111




10 Support (Not Spared)
11 423W26754 Belt
12 Belt (Not Spared)
13
023K91530 Eject belt
New
023K91530 (New) 3-4 Day Lead
$76.16


023K91530 Eject belt
Fully refurbished with 90-day warranty
023K91530



14 Spring (P/O PL 22.9 Item 8)
15 Eject Motor, Set Clamp Motor (P/O PL 22.9 Item 8)
16 Bracket (P/O PL 22.9 Item 8)
Xerox Finisher 7525 7530 7535 7545 7556 7800 7830 7835 7845 7855 Parts
PL 22.10 Compile Assembly (Part 2 of 2) (Integrated Office Finisher)
1 068K30510 Bracket Assembly
2 Bracket (P/O PL 22.10 Item 1)
3 Wire Harness (P/O PL 22.10 Item 1)
4 050E25900 Compile Tray
5 Support (Not Spared)
6
930W00111 Sensor
New
930W00111 930W00122 930W00121 130E82190 (New) 4-5 day lead time to ship
$37.00


930W00111 Sensor
Fully refurbished with 90-day warranty
930W00111




7 038E34860 Paper Guide
8 Bracket (Not Spared)
9 Stack Height Sensor (REP 22.29)
9
930W00212 Tray 4 Feed Out Sensor
New
930W00212 (New) 3-4 Day Lead
$43.52


930W00212 Tray 4 Feed Out Sensor
Fully refurbished with 90-day warranty
930W00212 3-4 Day Lead
$36.00



10 962K42270 Wire Harness
11 Bracket (Not Spared)
12 Wire Harness (Not Spared)
13 038K88990 Tamper Guide, Rear
14
068K30740 Front/Rear tamper motor assembly
New
068K30740 (New) 3-4 Day Lead
$136.00


068K30740 Front/Rear tamper motor assembly
Fully refurbished with 90-day warranty
068K30740 3-4 Day Lead
$39.44



15 Front/Rear Tamper Motor (P/O PL 22.10 Item 14)
16 Bracket (P/O PL 22.10 Item 14)
17 001E70981 Rail
18 038K89260 Tamper Guide, Front
Xerox Finisher 7525 7530 7535 7545 7556 7800 7830 7835 7845 7855 Parts
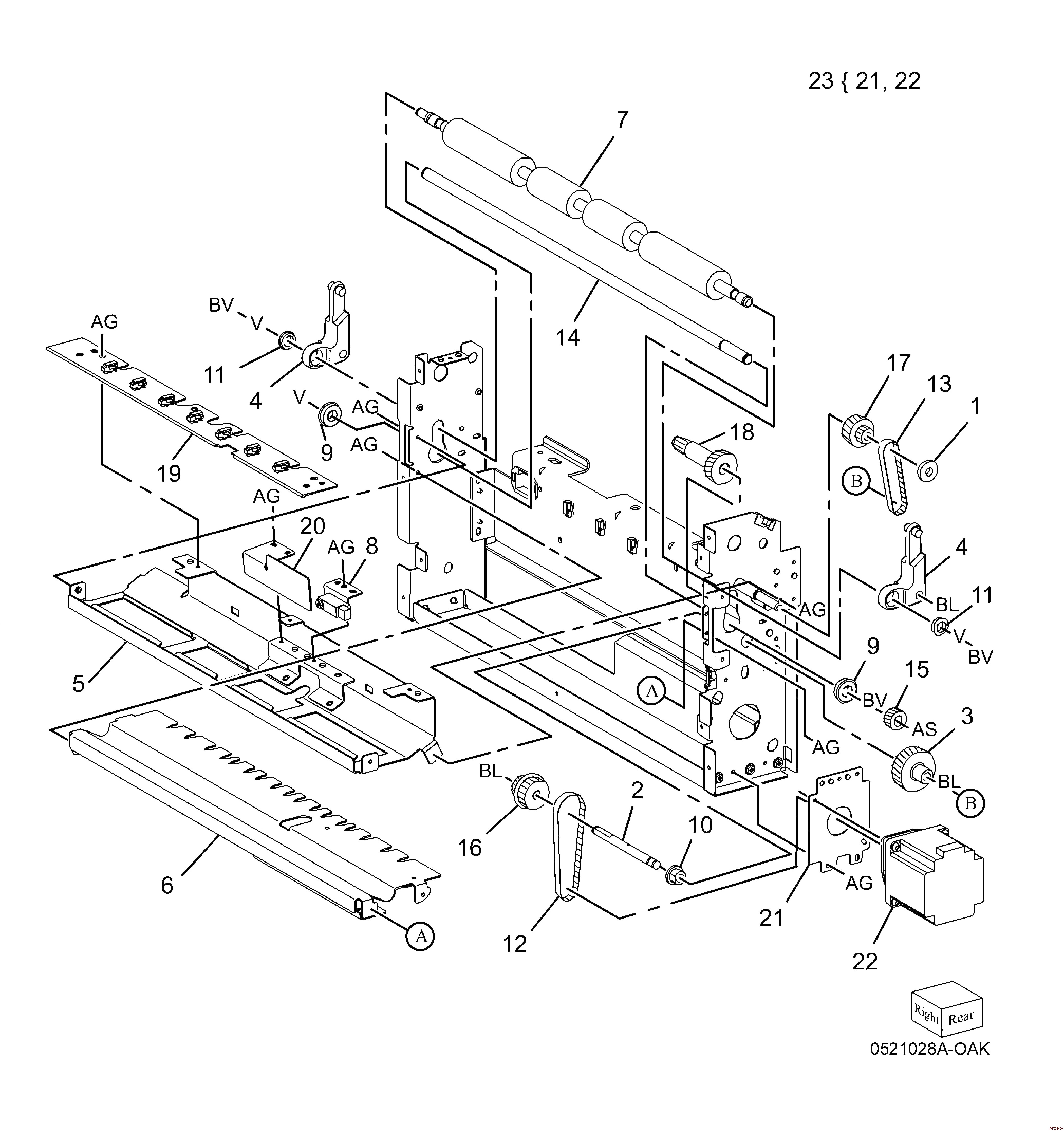
PL 23.1 H-Transport Assembly (1 of 5)
(Office Finisher LX)
1
059K65560 Horizontal Transport Assembly
Fully refurbished with 90-day warranty
059K65560
$238.00



2
068K59494 Docking plate assembly
New
068K59494 (New) 3-4 Day Lead
$126.48



3 Docking Plate (P/O PL 23.1 Item 2)
4 Side Guide (P/O PL 23.1 Item 2)
5 Center Guide (P/O PL 23.1 Item 2)
6 826E07210 Thumb Screw
7
868E51550 Docking bracket
New
868E51550 (New) 3-4 Day Lead
$88.40



8 Finisher Plate
9 Finisher LX Assembly (Not Spared)
10 HTU Spacer (Not Spared)
Xerox Finisher 7525 7530 7535 7545 7556 7800 7830 7835 7845 7855 Parts
PL 23.2 H - Transport Assembly (2 of 5) (Office Finisher LX)
1 848K34182 Left Cover Assembly
2 848E43672 Left Cover
3 Paper Guide (P/O PL 23.2 Item 1)
4 848K34170 Top Cover Assembly
5 Lower Chute Assembly (P/O PL 23.1 Item 1)
6 Lower Chute Assembly (P/O PL 23.2 Item 5)
7
054K35264 Chute Punch Dum
New
054K35264 (New) 3-4 Day Lead
$66.64



8

9 Rear Cover (Not Spared)
10
180K00391 Punch Assembly 2/3 Hole
New
180K00391 (New) 3-4 Day Lead
$461.04



10 180K00401 Punch Assembly (2/4 Hole) (REP 23.2)
11 Punch Box (Not Spared)
12 Wire Harness (Not Spared)
13 848E28010 Connector Cover
Xerox Finisher 7525 7530 7535 7545 7556 7800 7830 7835 7845 7855 Parts
PL 23.3 H - Transport Assembly (3 of 5) (Office Finisher LX)
1 Bracket (P/O PL 23.2 Item 4)
2 054K35239 Left Chute Assembly
3 Left Chute (P/O PL 23.3 Item 2)
4 Pinch Spring (P/O PL 23.3 Item 2)
5 Pinch Roller (P/O PL 23.3 Item 2)
6
054K35245 Chute Right
New
054K35245 (New) 3-4 Day Lead
$152.32



7 Right Chute (P/O PL 23.3 Item 6)
8

9
809E76211 Spring Punch
New
809E76211 (New) 3-4 Day Lead
$102.00



10 848E43662 Top Cover
11
003K15985 Hinge Assembly L
New
003K15985 (New) 3-4 Day Lead
$106.08



12 H - Transport Counter Balance (Right) (P/O PL 23.2 Item 4)
13 809E76240 Spring
14 809E78940 Spring
Xerox Finisher 7525 7530 7535 7545 7556 7800 7830 7835 7845 7855 Parts
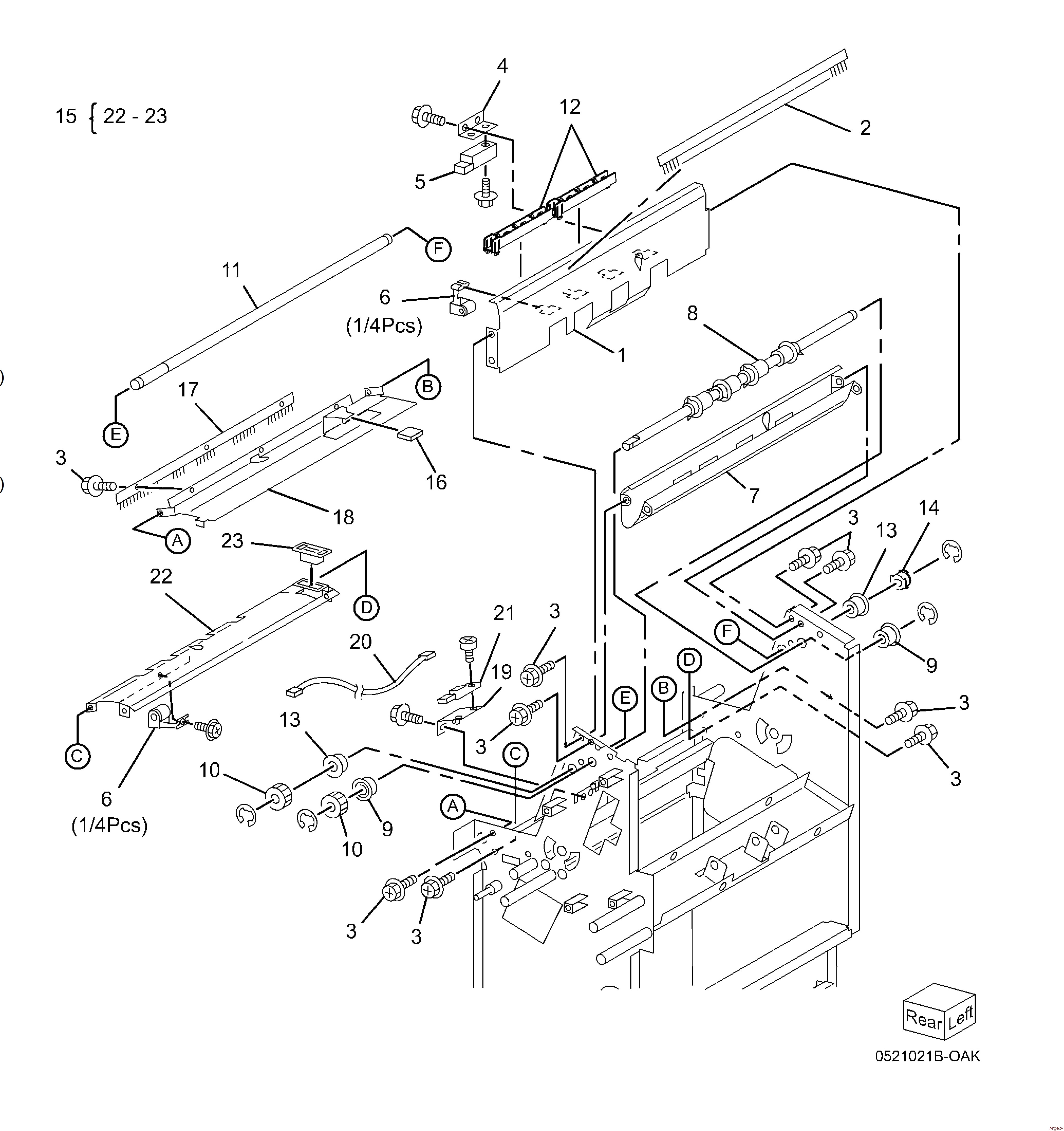
PL 23.4 H - Transport Assembly (4 of 5) (Office Finisher LX)
1 Lower Chute (P/O PL 23.2 Item 6)
2 Magnet (P/O PL 23.2 Item 6)
3
130E81600 Waste Toner Bottle Position Sensor
New
130E81600 (New) 3-4 Day Lead
$66.64


130E81600 IIT Regi. Sensor
Fully refurbished with 90-day warranty
130E81600
$37.00



4 868E15540 Sensor Bracket
5 809E81720 Actuator
6
930W00211 Sensor
New
930W00211 (New) 3-4 Day Lead
$43.52


930W00211 Sensor
Fully refurbished with 90-day warranty
930W00211 3-4 Day Lead
$36.00



7 848K34192 H - Transport Front Cover Assembly
8 848E43641 H - Transport Front Cover
9 921W41142 Gasket
10 803E04690 Hinge
11 Bracket (P/O PL 23.2 Item 6)
12 Rear Frame Assembly (P/O PL
23.2 Item 6)
13
127K57622 Horizontal transport motor
New
127K57622 (New) 3-4 Day Lead
$102.00


127K57622 Motor PM
Fully refurbished with 90-day warranty
127K57622
$34.00



14 020E45330 Tension Pulley
15 020K15720 Pulley (43T)
16 020E45210 Pulley (43T)
17 Tension Bracket (P/O PL 23.2 Item 6)
18 809E78950 Spring Tension
19 059K54480 Drive Roll
20 059K55070 Drive Roll
21 013E33140 Bearing
22
423W01154 Horizontal transport belt
New
423W01154 (New) 3-4 Day Lead
$76.16



23 413W14660 Sleeve Bearing
24 962K60422 Wire Harness
25 127E85570 Fan Blade
26 016E97311 Pinch Bushing
27 Lower Hinge (P/O PL 23.4 Item 7)
28 848E43630 Front Cover
29 848E43651 Switch Cover
30 Cover (Not Spared)
31 Bracket (Not Spared)
32
004E18112 Pinch Cushion
New
004E18112 (New) 3-4 Day Lead
$59.84



33 921W41162 Gasket
Xerox Finisher 7525 7530 7535 7545 7556 7800 7830 7835 7845 7855 Parts
PL 23.5 H - Transport Assembly (5 of 5) (Office Finisher LX)
1 Punch Motor (P/O PL 23.2 Item 10)
2 Punch Lower Cover (P/O PL 23.2 Item 10)
3 Punch Motor Cover (P/O PL 23.2 Item 10)
4 Sensor Bracket (P/O PL 23.2 Item 10)
5
930W00111 Sensor
New
930W00111 930W00122 930W00121 130E82190 (New) 4-5 day lead time to ship
$37.00


930W00111 Sensor
Fully refurbished with 90-day warranty
930W00111




6 Punch Frame Assembly (P/O PL 23.2 Item 10)
7 Encoder/Gear Assembly (P/O PL 23.2 Item 10)
8 Gear (P/O PL 23.2 Item 10)
9 Motor Bracket (P/O PL 23.2 Item 10)
10 Punch Top Cover (P/O PL 23.2 Item 10)
11 Bracket (P/O PL 23.2 Item 10)
Xerox Finisher 7525 7530 7535 7545 7556 7800 7830 7835 7845 7855 Parts
PL 23.6 Finisher Covers (Office
Finisher LX)
1 Plate (Not Spared)
2 Lower Plate (Not Spared)
3 Docking Lever (Not Spared)
4 Front Cover (REP 23.6)
5 Front Door (Not Spared)
6 Bracket (Not Spared)
7 068K59531 Hinge
8 848E15210 Rear Lower Cover (REP 23.8)
9 848E15221 Rear Upper Cover (REP 23.7)
10 848E15231 Connector Cover
11 848E15241 Stacker Lower Cover (REP 23.11)
12 848E48791 LH Cover
13 Cover (Not Spared)
14 Spring (Not Spared)
15
848E22450 Cover Foot
New
848E22450 (New) 3-4 Day Lead
$85.68



16
801K30701 Frame Booklet Maker
New
801K30701 (New) 3-4 Day Lead
$1033.60



17 826E31870 Thumb Screw
18 Upper Adjust Cover (Not Spared)
19 Lower Adjust Cover (Not Spared)
20 Base Frame Assembly (not Spared)
21 921W41162 Gasket
22 Extension Spring (Not Spared)
23 Paper Guide
Xerox Finisher 7525 7530 7535 7545 7556 7800 7830 7835 7845 7855 Parts
PL 23.7 Finisher Stacker (Office Finisher LX)
1 041K95980 Front Carriage Assembly (REP 23.29)
2 Bearing (P/O PL 23.7 Item 1)
3

4 Front Stacker Belt (P/O PL 23.7 Item 1)
5 Clamp (P/O PL 23.7 Item 1)
6 Front Carriage Assembly (P/O PL 23.7 Item 1)
7 041K95990 Rear Carriage Assembly (REP 23.29)
8 Bearing (P/O PL 23.7 Item 7)
9 Clamp (P/O PL 23.7 Item 7)
10 017K94890 Knob Caster Assembly
11 Rear Stacker Belt (P/O PL 23.7 Item 7)
12 Rear Carriage (P/O PL 23.7 Item 7)
13 Actuator (P/O PL 23.7 Item 7)
14 Carriage Tray (Not Spared)
15
050K61106 Tray SBF
New
050K61106 (New) 3-4 Day Lead
$212.16



16 Shaft (Not Spared)
17

18
020E37710 Clutch Pulley
New
020E37710 (New)
$121.00



19 146E90650 Encoder
20

21

22
068K58304 Stacker elevator motor assembly
New
068K58304 (New) 3-4 Day Lead
$244.80



23 Bearing (P/O PL 23.7 Item 22)
24 020E44181 Pulley (60T)
25 Gear (15T/37T) (P/O PL 23.7 Item 22)
26 Motor Bracket (P/O PL 23.7 Item 22)
27 Worm Shaft (P/O PL 23.7 Item 22)
28
423W27654 BELT (Elevator Motor Belt)
New
423W27654 (New)
$29.00



29 Stacker Elevator Motor (P/O PL 23.7 Item 22)
30 Stacker Encoder Sensor Assembly (Not Spared)
31 Bracket (P/O PL 23.7 Item 30)
32
930W00111 Sensor
New
930W00111 930W00122 930W00121 130E82190 (New) 4-5 day lead time to ship
$37.00


930W00111 Sensor
Fully refurbished with 90-day warranty
930W00111




33 Stacker Upper Cover (Not Spared) (REP 23.12)
34 413W79359 Bearing
35 017K94880 Caster Assembly
36 251W31178 Washer
37
017K94900 Foot Assembly Adjuster
New
017K94900 (New) 3-4 Day Lead
$59.84


Xerox Finisher 7525 7530 7535 7545 7556 7800 7830 7835 7845 7855 Parts
PL 23.8 Finisher Stapler (Office Finisher LX)
1 Base Frame (P/O PL 23.8 Item 16)
2 Rail (P/O PL 23.8 Item 16)
3 Harness Guide
4
029K92350 Stapler Assembly
New
029K92350 (New) 3-4 Day Lead
$383.52



5 Holder (Not Spared)
6 Stapler Move Position Sensor Assembly (Not Spared)
7 Bracket (P/O PL 23.8 Item 6)
8
130E94940 Stapler move position sensor
New
130E94940 (New) 3-4 Day Lead
$76.16



9 Stapler Move Motor Assembly (not Spared)
10 Harness Guide (P/O PL 23.8 Item 16)
11 Harness Support Guide (P/O PL 23.8 Item 16)
12 Harness Guide (P/O PL 23.8 Item 16)
13 Stapler Cover (Not Spared)
14 Clamp (Not Spared)
15 Stapler Cartridge (Not Spared)
16 Stapler Unit (Not Spared)
17 Cable Band (Not Spared)
18 Harness Guide (Not Spared)
19 Stapler Motor Assembly (P/O PL 23.8 Item 9) (REP 23.15)
20
127K57622 Horizontal transport motor
New
127K57622 (New) 3-4 Day Lead
$102.00


127K57622 Motor PM
Fully refurbished with 90-day warranty
127K57622
$34.00


Xerox Finisher 7525 7530 7535 7545 7556 7800 7830 7835 7845 7855 Parts
PL 23.9 Finisher Eject (1 of 5) (Office Finisher LX)
1 Eject Cover Assembly (Not Spared)
2 Eject Assembly (Not Spared)
3

4

5
059K55111 Eject roller
New
059K55111 (New) 3-4 Day Lead
$136.00



6

7
807E21391 Gear (18T)
New
807E21391 (New) 3-4 Day Lead
$78.88



8
120E29772 Actuator Hight
New
120E29772 (New) 3-4 Day Lead
$78.88



9
006K86731 Shaft Set Clamp
New
006K86731 (New) 3-4 Day Lead
$96.56



10 Spring (P/O PL 23.9 Item 9)
11 019K09391 Set Clamp Holder
12 Shaft (Not Spared)
13

14

15
006K86741 Shaft Guide Pap
New
006K86741 (New) 3-4 Day Lead
$102.00



16 Guide Paper Shaft (P/O PL 23.9 Item 15)
17 Gear (20T) (P/O PL 23.9 Item 15)
18 Shaft (Not Spared)
19

20

21

22 005E25820 Clutch
23 807E21970 Gear (23T)
24 Stopper (Not Spared)
25 Bracket (Front) (Not Spared)
26 Bracket (Rear) (Not Spared)
27 Option Switch Assembly (not Spared)
28 Bracket (Not Spared)
29 Option Switch (Not Spared)
30
413W11860 Bearing
Fully refurbished with 90-day warranty
413W11860



31 Bearing (Not Spared)
32 Clamp Arm (P/O PL 23.9 Item 3)
33 Roll (P/O PL 23.9 Item 3)
34 Shaft (P/O PL 23.9 Item 3)
Xerox Finisher 7525 7530 7535 7545 7556 7800 7830 7835 7845 7855 Parts
PL 23.10 Finisher Eject (2 of 5) (Office Finisher LX)
1 848E15291 Top Right Hand Cover
2 011E20781 Top Cover Lever
3 003E76111 Top Cover Latch
4 Shaft (Not Spared)
5
809E79031 Spring Cv Latch
New
809E79031 (New) 3-4 Day Lead
$78.88



6 848E15301 Eject Cover (REP 23.9)
7 054K35302 Eject Chute
8
121K41632 Sub paddle solenoid assembly
New
121K41632 (New) 3-4 Day Lead
$118.32



9 Bracket (P/O PL 23.10 Item 8)
10 Damper (P/O PL 23.10 Item 8)
11 Sub Paddle Solenoid (P/O PL 23.10 Item 8)
12 Eject Roller Assembly (Not Spared)
13
031K93770 Arm Assembly Paddle
New
031K93770 (New) 3-4 Day Lead
$106.08



14 Sub Paddle Arm (Not Spared)
15 423W08655 Belt
16 Sub Paddle (P/O PL 23.10 Item 13)
17 Pulley (P/O PL 23.10 Item 13)
18 Pulley (P/O PL 23.10 Item 13)
19 Gear/Pulley (31T/20T) (not Spared)
20 Eject Pinch Roller Assembly (not Spared)
21 Bearing (P/O PL 23.10 Item 20)
22 059K55102 Eject Pinch Roller
23 Bracket (P/O PL 23.10 Item 20)
24 Shaft (P/O PL 23.10 Item 12)
25 Spring (Not Spared)
26 Bracket (P/O PL 23.10 Item 12)
27 809E79050 Spring
28 006K86690 Eject Drive Shaft
29 Bearing (Not Spared)
30 Bearing (Not Spared)
31 Eject Chute Assembly (Not Spared)
32 Eject Eliminator (P/O PL 23.10 Item 20)
Xerox Finisher 7525 7530 7535 7545 7556 7800 7830 7835 7845 7855 Parts
PL 23.11 Finisher Eject (3 of 5) (Office
Finisher LX)
1 807E20931 Gear (82T/77T/51T)
2 807E20940 Gear (38T)
3 Eject Motor Assembly (Not Spared) (REP 23.22)
4 127K53140 Eject Motor (REP 23.25)
5 Bracket (P/O PL 23.11 Item 3)
6 807E22030 Gear/Pulley (20T/49T)
7 423W31054 Belt
8 807E21330 Gear (28T/22T/38T)
9 807E21340 Gear (25T)
10 807E21350 Gear/Pulley (32T/25T)
11 807E21360 Gear (23T)
12
121K34631 Clutch - Eject Clamp - Z34
New
121K34631 (New)
$62.56


121K34631 Clutch Z34
Fully refurbished with 90-day warranty
121K34631 3-4 Day Lead
$29.00



13
120E29591 Actuator Set CL
New
120E29591 (New) 3-4 Day Lead
$74.80



14 130K72170 Stacker Height Sensor 1 Assembly
15 Bracket (P/O PL 23.11 Item 14)
16
930W00111 Sensor
New
930W00111 930W00122 930W00121 130E82190 (New) 4-5 day lead time to ship
$37.00


930W00111 Sensor
Fully refurbished with 90-day warranty
930W00111




17 130K72180 Stacker Height Sensor 2 Assembly
18 Bracket (P/O PL 23.11 Item 17)
19 Eject Cover Switch (P/O PL 23.11 Item 37)
20 Harness Guide (Not Spared)
21
120E29851 Actuator Gear Select
New
120E29851 (New) 3-4 Day Lead
$78.88



22 Eject Drive Bracket Assembly (not Spared)
23 Bracket (P/O PL 23.11 Item 22)
24 Bracket (P/O PL 23.11 Item 22)
25 Shaft (P/O PL 23.11 Item 22)
26 008E96770 Clamp Set Cam
27

28 Bracket (P/O PL 23.11 Item 22)
29 Shaft (P/O PL 23.11 Item 22)
30 008E96691 Eject Clamp Cam
31
413W11660 Sleeve bearing
New
413W11660 (New) 3-4 Day Lead
$34.00



32 Sleeve Bearing (P/O PL 23.11 Item 22)
33 005E25810 Drive Eject Flange
34 130K72190 Eject Clamp Home Sensor Assembly
35 Bracket (P/O PL 23.11 Item 34)
36 Bracket (P/O PL 23.11 Item 37)
37 Eject Cover Switch Assembly (not Spared)
38

39

40 423W25954 Belt
Xerox Finisher 7525 7530 7535 7545 7556 7800 7830 7835 7845 7855 Parts
PL 23.12 Finisher Eject (4 of 5) (Office Finisher LX)
1 050K61091 Compiler Tray Assembly (REP 23.17)
2 038E36462 Tamper Guide, Rear
3 Compiler Center Paper Guide (P/O PL 23.12 Item 1)
4 Compiler Rear Paper Guide (P/O PL 23.12 Item 1)
5 Bracket (P/O PL 23.12 Item 1)
6 127K48210 Tamper Motor
7 Rack (Front) (P/O PL 23.12 Item 1)
8
930W00111 Sensor
New
930W00111 930W00122 930W00121 130E82190 (New) 4-5 day lead time to ship
$37.00


930W00111 Sensor
Fully refurbished with 90-day warranty
930W00111




9
130E81600 Waste Toner Bottle Position Sensor
New
130E81600 (New) 3-4 Day Lead
$66.64


130E81600 IIT Regi. Sensor
Fully refurbished with 90-day warranty
130E81600
$37.00



10 Spring (P/O PL 23.12 Item 1)
11 Tamper Front Guide (P/O PL 23.12 Item 1)
12 Tamper Rear Guide (P/O PL 23.12 Item 1)
13 Compiler Tray (P/O PL 23.12 Item 1)
14 Paper Paddle Guide (P/O PL 23.12 Item 1)
15 809E79000 Spring
16 Paper End Guide (P/O PL 23.12 Item 1)
17 Paper Tray Guide (P/O PL 23.12 Item 1)
18 Spring (P/O PL 23.12 Item 1)
19 Spring (P/O PL 23.12 Item 1)
20 Harness Guide (P/O PL 23.12 Item 1)
21 120E29760 Actuator
22 801E04903 Tamper Base
23 038E36452 Tamper Guide, Front
Xerox Finisher 7525 7530 7535 7545 7556 7800 7830 7835 7845 7855 Parts
PL 23.13 Finisher Eject (5 of 5) (Office Finisher LX)
1
068K58823 Transport motor
New
068K58823 (New) 3-4 Day Lead
$152.32



2
068K58832 Bracket Tension
New
068K58832 (New) 3-4 Day Lead
$78.88



3 809E78980 Spring
4 020E45341 Pulley (30T)
5 020E45571 Pulley (41T)
6 Gear/Pulley (27T/30T) (not Spared)
7 007K98300 Gear
8 059K55080 Entrance Roller
9
059K55090 Exit Roller
New
059K55090 (New)
$95.20



10 423W18754 Eject Belt (REP 23.21)
11 006K86813 Paddle Shaft Assembly
12
033E92850 Paddle-Cyclone
New
033E92850 (New) 3-4 Day Lead
$63.92



13 Paddle Shaft (P/O PL 23.13 Item 11)
14
413W75959 Bearing
New
413W75959 (New) 3-4 Day Lead
$25.00


Xerox Finisher 7525 7530 7535 7545 7556 7800 7830 7835 7845 7855 Parts
PL 23.14 Finisher Exit/Folder Assembly (Office Finisher LX)
1 Lower Chute Assembly (not Spared)
2 Lower Chute (P/O PL 23.14 Item 1)
3 806E22121 Shaft
4 059E03710 Pinch Roll
5 809E78960 Spring
6

7 Exit Upper Chute (P/O PL 23.14 Item 6)
8 105E18000 Static Eliminator
9 038E36420 Paper Guide
10
130K88311 Compiler exit sensor
New
130K88311 (New) 3-4 Day Lead
$76.16



11
054K48530 Chute Fin Exit
New
054K48530 (New) 3-4 Day Lead
$96.56



12 Exit Lower Chute (P/O PL 23.14 Item 11)
13 Pinch Roll Assembly (P/O PL 23.14 Item 11)
14 Spring (P/O PL 23.14 Item 13)
15
059K56321 Roll Pinch Exit
New
059K56321 (New) 3-4 Day Lead
$102.00



16
054K35264 Chute Punch Dum
New
054K35264 (New) 3-4 Day Lead
$66.64



17 Lower Chute (P/O PL 23.14 Item 16)
18 Upper Chute (P/O PL 23.14 Item 16)
19

20 Chute Assembly (Not Spared)
21
695K18691 Fold Assembly SB
New
695K18691 (New) 3-4 Day Lead
$560.32


Xerox Finisher 7525 7530 7535 7545 7556 7800 7830 7835 7845 7855 Parts
PL 23.15 Folder Assembly (Office Finisher LX)
1 Upper Chute (P/O PL 23.14 Item 21)
2 Upper Plate (P/O PL 23.14 Item 21)
3 Knife Assembly (P/O PL 23.14 Item 21)
4 Blade Holder (P/O PL 23.15 Item 3)
5 Lower Holder 1 (P/O PL 23.15 Item 3)
6 Lower Holder 2 (P/O PL 23.15 Item 3)
7 Bracket (P/O PL 23.15 Item 3)
8 Blade (P/O PL 23.15 Item 3)
9 Spring (P/O PL 23.14 Item 2)
10 Frame (P/O PL 23.14 Item 21)
11 Front Cover (P/O PL 23.14 Item 21)
12 Bracket (P/O PL 23.14 Item 21)
13 Folder Knife Motor Assembly (P/O PL 23.14 Item 21)
14 Motor Bracket (P/O PL 23.15 Item 13)
15 Folder Knife Motor (P/O PL 23.15 Item 13)
16 Folder Home Sensor (P/O PL 23.15 Item 13)
17 Cam Shaft Assembly (P/O PL 23.14 Item 21)
18 Guide (P/O PL 23.14 Item 21)
19 Gear (28T/8T) (P/O PL 23.14 Item 21)
20 Encoder (P/O PL 23.14 Item 21)
21 Bearing (P/O PL 23.14 Item 21)
22 Gear (12T/27T) (P/O PL 23.14 Item 21)
23 Gear (12T/30T) (P/O PL 23.14 Item 21)
24 Gear (12T/51T) (P/O PL 23.14 Item 21)
25 Wire Harness (P/O PL 23.14 Item 21)
Xerox Finisher 7525 7530 7535 7545 7556 7800 7830 7835 7845 7855 Parts
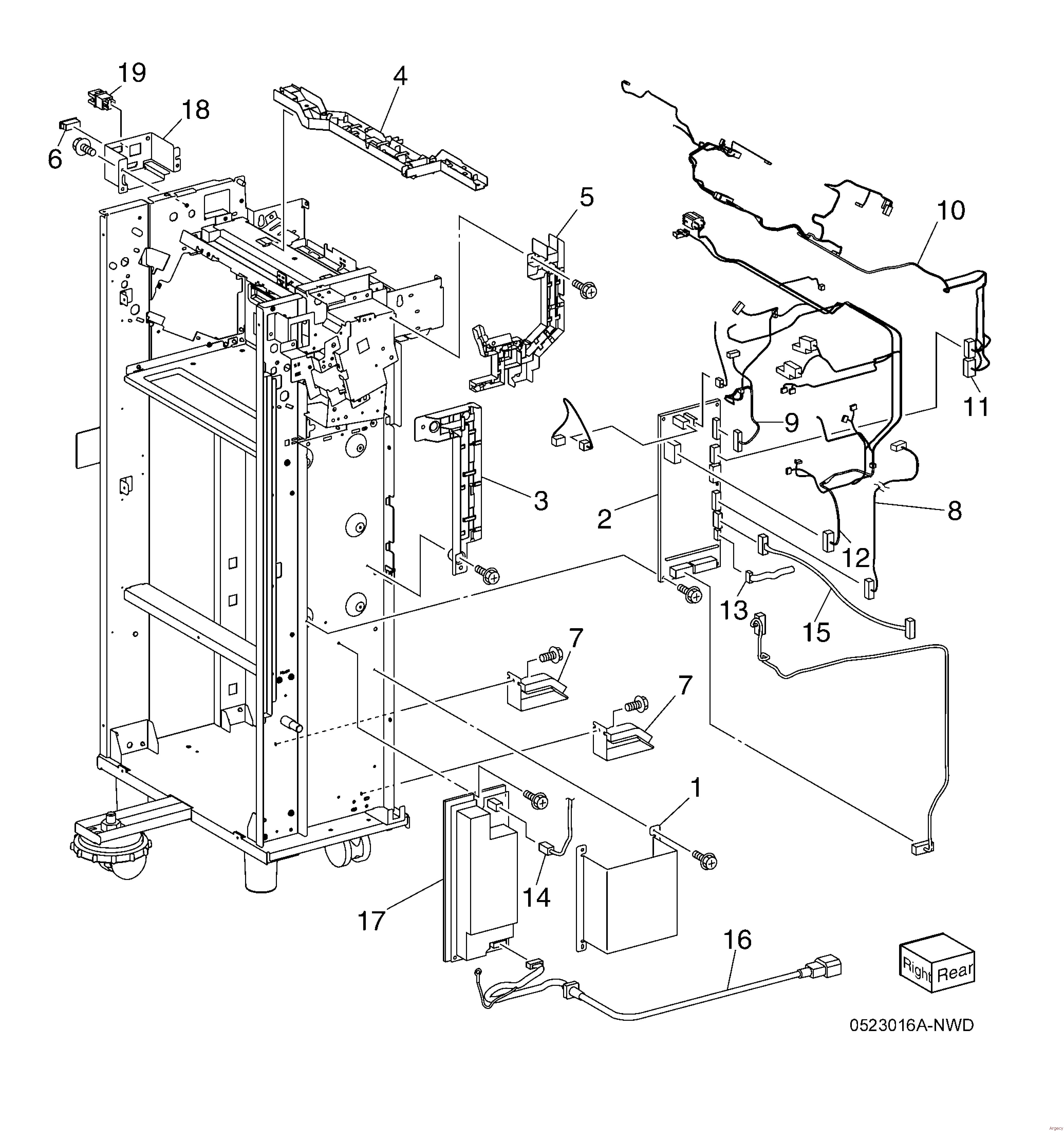
PL 23.16 Finisher Electrical (Office Finisher LX)
1 LVPS Cover (Not Spared)
2 960K51447 Finisher PWB (REP 23.23)
2960K50992 Finisher PWB
3 Harness Guide (Not Spared)
4 Harness Guide (Not Spared)
5 Harness Guide (Not Spared)
6 Magnet (Not Spared)
7 815K04920 Gasket Plate Assembly
8
962K60592 Wire Harness (IF)
New
962K60592 (New)
$102.00



9 Wire Harness (Not Spared)
10 Wire Harness (Not Spared)
11 Wire Harness (Not Spared)
12 Wire Harness (Not Spared)
13 962K60481 Wire Harness
14 Wire Harness (Not Spared)
15 Wire Harness (Not Spared)
16 962K74540 Power Cable
17
105E17550 Low Voltage Power Supply (LVPS) Assembly - Finisher LX
Fully refurbished with 90-day warranty
105E17550
$148.24


105E17550 Low Voltage Power Supply (LVPS) Assembly Finisher LX
New
105E17550 (New) 3-4 Day Lead
$274.72



18 Bracket (Not Spared)
19

Xerox Finisher 7525 7530 7535 7545 7556 7800 7830 7835 7845 7855 Parts
PL 23.17 Booklet Cover (Office Finisher LX)
1 Frame Assembly (Not Spared)
2 Booklet Stapler Assembly (not Spared)
3
848E15333 Cover Rear
New
848E15333 (New) 3-4 Day Lead
$136.00



4 Front Cover (Not Spared) (REP 23.32)
5 Top Cover (REP 23.34)
6 848E15350 Side Cover
7 848E15361 PWB Cover (REP 23.35)
8 Left Cover (Not Spared) (REP 23.36)
9 Harness Guide (Not Spared)
Xerox Finisher 7525 7530 7535 7545 7556 7800 7830 7835 7845 7855 Parts
PL 23.18 Booklet Stapler Assembly (Office Finisher LX)
1 Front Carriage Rail (Not Spared)
2 Frame (P/O PL 23.18 Item 1)
3 Core (P/O PL 23.18 Item 1)
4 127K57051 Booklet Stapler Move Motor Assembly (REP 23.38)
5 Belt (P/O PL 23.18 Item 4)
6 Bracket (P/O PL 23.18 Item 4)
7 Gear (12T) (P/O PL 23.18 Item 4)
8 Pulley (50T) (P/O PL 23.18 Item 4)
9
127K57622 Horizontal transport motor
New
127K57622 (New) 3-4 Day Lead
$102.00


127K57622 Motor PM
Fully refurbished with 90-day warranty
127K57622
$34.00



10 Wire Harness (P/O PL 23.18 Item 4)
11 Sensor Bracket Assembly (P/O PL 23.18 Item 1)
12 Sensor Bracket (P/O PL 23.18 Item 11)
13
930W00111 Sensor
New
930W00111 930W00122 930W00121 130E82190 (New) 4-5 day lead time to ship
$37.00


930W00111 Sensor
Fully refurbished with 90-day warranty
930W00111




14 Rear Rack Gear (Not Spared)
15 Carriage Assembly (Not Spared)
16 Carriage (P/O PL 23.18 Item 15)
17 Core (P/O PL 23.18 Item 15)
18 Core (Not Spared)
19 Front Rack Gear (Not Spared)
20 848E15400 Motor Cover
21 032K05222 Harness Guide Assembly
22 Harness Strap (P/O PL 23.18 Item 21)
23
920W01210 Locking clamp
New
920W01210 (New) 3-4 Day Lead
$59.84


920W01210 Locking clamp
Fully refurbished with 90-day warranty
920W01210



24 Harness Guide (Front) (not Spared)
25 Harness Guide (Rear) (not Spared)
26 Rear Rack Guide (Not Spared)
Xerox Finisher 7525 7530 7535 7545 7556 7800 7830 7835 7845 7855 Parts
PL 23.19 Booklet Front Stapler
Assembly (Office Finisher LX)
1 Booklet Front Stapler Assembly
2 Bracket (P/O PL 23.19 Item 1)
3 Rear Cover (P/O PL 23.19 Item 1)
4 Bracket (P/O PL 23.19 Item 1)
5 Chute
6 Sub Chute (P/O PL 23.19 Item 1)
7 Support (P/O PL 23.19 Item 1)
8 Spring (P/O PL 23.19 Item 1)
9 Exit Sub Chute (P/O PL 23.19 Item 1)
10 Spring (P/O PL 23.19 Item 1)
11 Front Cover (P/O PL 23.19 Item 1)
12 848E15421 Lower Cover
13 Booklet Stapler Assembly (P/O PL 23.19 Item 1) (REP 23.37)
14 Wire Harness (P/O PL 23.19 Item 1)
15 Guide (P/O PL 23.19 Item 1)
16 Booklet Staple Cassette Assembly (Not Spared)
Xerox Finisher 7525 7530 7535 7545 7556 7800 7830 7835 7845 7855 Parts
PL 23.20 Booklet Rear Stapler Assembly (Office Finisher LX)
1 029K92500 Booklet Rear Stapler Assembly
2 Bracket (P/O PL 23.20 Item 1)
3 Rear Cover (P/O PL 23.20 Item 1)
4 Bracket (P/O PL 23.20 Item 1)
5 054K35282 Chute
6 Sub Chute (P/O PL 23.20 Item 1)
7 Support (P/O PL 23.20 Item 1)
8 Spring (P/O PL 23.20 Item 1)
9 Sub Chute (P/O PL 23.20 Item 1)
10 Spring (P/O PL 23.20 Item 1)
11 Front Cover (P/O PL 23.20 Item 1)
12 848E15421 Lower Cover
13 Booklet Stapler Assembly (P/O PL 23.20 Item 1) (REP 23.37)
14 Wire Harness (P/O PL 23.20 Item 1)
15 Guide (P/O PL 23.20 Item 1)
16 Booklet Staple Cassette Assembly (P/O PL 23.20 Item 1)
Xerox Finisher 7525 7530 7535 7545 7556 7800 7830 7835 7845 7855 Parts
PL 23.21 Booklet Electrical (Office Finisher LX)
1 068K58350 Booklet Stapler Safety Switch Assembly
2 110E12970 Booklet Stapler Safety Switch
3 Bracket (P/O PL 23.21 Item 1)
4
960K32543 PWB Booklet Sb
New
960K32543 (New) 3-4 Day Lead
$288.32



5 Wire Harness (Not Spared)
6 Wire Harness (Not Spared)
7 Wire Harness (Not Spared)
8 Booklet Stapler Cover Switch Assembly (Not Spared)
9 Bracket (P/O PL 23.21 Item 8)
10 Booklet Stapler Cover Switch (P/O PL 23.21 Item 8)
11 Plate (Not Spared)
12 962K60533 Wire Harness
13 962K60540 Wire Harness
Xerox Finisher 7525 7530 7535 7545 7556 7800 7830 7835 7845 7855 Parts
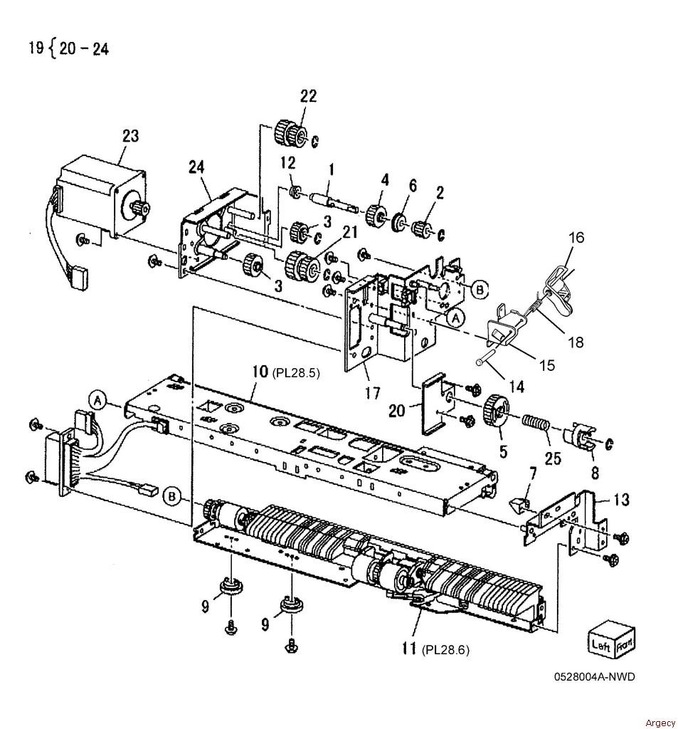
PL 28.1 HCF Unit
1
604K23535 Joint Plate
New
604K23535 (New) 3-4 Day Lead
$1471.52



604K23830 HCF docking plate
New
604K23830 (New) 3-4 Day Lead
$114.24



2
003k91881 Mounting Bracket Screws (Docking Plate Screw)
Fully refurbished with 90-day warranty
003K91881



3
130k55590 Sensor
New
130K55590 (New)
$12.00


130k55590 Sensor
Fully refurbished with 90-day warranty
130K55590 3-4 Day Lead
$32.00


130K55590 Tray set sensor
New
130K55590 (New) 3-4 Day Lead
$43.52



4
801K15700 Tray Rail
New
801K15700 (New) 3-4 Day Lead
$174.08



5 HCF Tray 6 (REF: PL 28.2, PL 28.3) (REP 19.1)
6 Left Top Cover (Not Spared)
7 Right Cover (Not Spared)
8 Front Right Cover (Not Spared)
9 Left Cover (Not Spared)
10 Rear Cover
11 HCF Feeder (REP 19.2)
12 Label (Top)
13 Label (Tray Number) (Not Spared)
14 Label (Size) (Not Spared)
15 Label (End) (Not Spared)
16 Frame Assembly (Not Spared)
Xerox Finisher 7525 7530 7535 7545 7556 7800 7830 7835 7845 7855 Parts
PL 28.2 HCF Tray 6 (1 of 2)
1 Tray Latch Assembly (Not Spared)
2
003K13592 Tray latch assembly
New
003K13592 (New) 3-4 Day Lead
$95.20



3 Spring (P/O PL 28.2 Item 1)
4 Latch Lever (P/O PL 28.2 Item 1)
5 Magnet (P/O PL 28.1 Item 5)
6 Wave Washer (P/O PL 28.1 Item 5)
7 Front Cover (P/O PL 28.1 Item 5)
8 Gear Bracket (P/O PL 28.1 Item 5)
9 Label (Gauge) (P/O PL 28.1 Item 5)
10 Frame (P/O PL 28.1 Item 5)
11 Plate (P/O PL 28.1 Item 5)
12 Bracket (P/O PL 28.1 Item 5)
13 Pin (P/O PL 28.1 Item 5)
14 Spring (P/O PL 28.1 Item 5)
15 Top Plate (P/O PL 28.1 Item 5)
Xerox Finisher 7525 7530 7535 7545 7556 7800 7830 7835 7845 7855 Parts
PL 28.3 HCF Tray 6 (2 of 2)
1 Lift Shaft (P/O PL 28.1 Item 5)
2 Bearing (P/O PL 28.1 Item 5)
3 Bearing (P/O PL 28.1 Item 5)
4

5 Gear (P/O PL 28.1 Item 5)
6 Gear (P/O PL 28.1 Item 5)
7 Bottom Plate (P/O PL 28.1 Item 5)
8
019e58620 Pad
New
019E58620 (New) 3-4 Day Lead
$43.52


019e58620 Pad
Fully refurbished with 90-day warranty
019E58620



9 Front Side Guide (P/O PL 28.1 Item 5)
10 Rear Side Guide (P/O PL 28.1 Item 5)
11
604K19981 Cable Kit
New
604K19981 (New) 3-4 Day Lead
$57.12



12
032e22410 Guide Wire L
New
032E22410 (New) 3-4 Day Lead
$35.00


032e22410 Guide Wire L
Fully refurbished with 90-day warranty
032E22410



13 Pulley (P/O PL 28.1 Item 5)
14 Wire Guide (S) (P/O PL 28.1 Item 5)
15 Pulley (P/O PL 28.1 Item 5)
16 Screw (P/O PL 28.1 Item 5)
17
015K65532 Gear bracket assembly
New
015K65532 (New) 3-4 Day Lead
$114.24



18 Gear Bracket (P/O PL 28.3 Item 17)
19 Contact Gear (P/O PL 28.3 Item 17)
20 Gear (P/O PL 28.3 Item 17)
21 Gear (P/O PL 28.3 Item 17)
22 Brake (P/O PL 28.3 Item 17)
23 Spring (P/O PL 28.3 Item 17)
24
807E04500 Lift gear
New
807E04500 (New) 3-4 Day Lead
$44.88



25 Plate (P/O PL 28.1 Item 5)
Xerox Finisher 7525 7530 7535 7545 7556 7800 7830 7835 7845 7855 Parts
PL 28.4 HCF Feeder (1 of 3)
1 Shaft (P/O PL 28.1 Item 11)
2
007E78760 Gear (19T)
New
007E78760 (New) 3-4 Day Lead
$123.76



3 Gear (25T) (P/O PL 28.1 Item 11)
4
007E78780 Gear (25T)
New
007E78780 (New) 3-4 Day Lead
$531.76



5
007E78790 Gear (40T)
New
007E78790 (New) 3-4 Day Lead
$59.84



6
013E25530 Bearing
New
013E25530 (New) 3-4 Day Lead
$59.84



7 Block (P/O PL 28.1 Item 11)
8 Spacer (P/O PL 28.1 Item 11)
9
019E56470 Holder
New
019E56470 (New) 3-4 Day Lead
$96.56



10 Upper Feeder Assembly (P/O PL 28.1 Item 11)
11 Lower Feeder Assembly (P/O PL 28.1 Item 11)
12 Ball Bearing (P/O PL 28.1 Item 11)
13 Front Frame (P/O PL 28.1 Item 11)
14 Pin (P/O PL 28.1 Item 11)
15 Down Bracket (P/O PL 28.1 Item 11)
16 Link Bracket (P/O PL 28.1 Item 11)
17 Rear Frame (P/O PL 28.1 Item 11)
18 Tension Spring (P/O PL 28.1 Item 11)
19 Lift/Motor Frame (P/O PL 28.1 Item 11)
20 Bracket (P/O PL 28.4 Item 19)
21
007K88520 Gear (23T/27T)
New
007K88520 (New) 3-4 Day Lead
$628.32



22
007K88530 Gear (31T/36T)
New
007K88530 (New) 3-4 Day Lead
$628.32



23
127k37901 Motor
New
127K37901 (New)
$545.00


127k37901 Motor
Fully refurbished with 90-day warranty
127K37901
$154.00




24 Plate (P/O PL 28.4 Item 19)
25 Spring (P/O PL 28.1 Item 11)
Xerox Finisher 7525 7530 7535 7545 7556 7800 7830 7835 7845 7855 Parts
PL 28.5 HCF Feeder (2 of 3)
1 Upper Feeder Assembly (P/O PL 28.1 Item 11)
2
003e59570 Latch
New
003E59570 (New) 3-4 Day Lead
$53.04


003e59570 Latch
Fully refurbished with 90-day warranty
003E59570



3 Shaft Latch (P/O PL 28.5 Item 1)
4
006K23124 Feed shaft assembly
New
006K23124 (New) 3-4 Day Lead
$121.04



5 Feed Shaft (P/O PL 28.5 Item 4)
6
413W66250 Ball bearing
New
413W66250 (New) 3-4 Day Lead
$59.84



7 Gear (20T) (P/O PL 28.5 Item 4)
8
007E78180 Feed gear
New
007E78180 (New) 3-4 Day Lead
$95.20



9 Lever (P/O PL 28.5 Item 1)
10 Bearing (P/O PL 28.5 Item 1)
11 Spacer (P/O PL 28.5 Item 1)
12 Pin Drive (P/O PL 28.5 Item 1)
13 Guide (P/O PL 28.5 Item 1)
14 Rear Upper Chute (P/O PL 28.5 Item 1)
15 Upper Chute (P/O PL 28.5 Item 1)
16
120e21900 Actuator
New
120E21900 (New) 3-4 Day Lead
$65.28


120e21900 Actuator
Fully refurbished with 90-day warranty
120E21900



17 Upper Frame (P/O PL 28.5 Item 1)
18 Spring (P/O PL 28.5 Item 1)
19
930w00112 Sensor-Photo In (No Paper And Level Sensor)
New
930W00112 (New) 3-4 Day Lead
$39.44


930w00112 Sensor-Photo In (No Paper And Level Sensor)
Fully refurbished with 90-day warranty
930W00112



Paper Sensor
20
930W00211 Sensor
New
930W00211 (New) 3-4 Day Lead
$43.52


930W00211 Sensor
Fully refurbished with 90-day warranty
930W00211 3-4 Day Lead
$36.00



21 Wire Harness (P/O PL 28.5 Item 1)
22
059K26691 Bypass Feed Roller
New
059K26691 (New) 3-4 Day Lead
$76.16



23
059K26702 Bypass Nudger Roller
New
059K26702 (New) 3-4 Day Lead
$29.00


Xerox Finisher 7525 7530 7535 7545 7556 7800 7830 7835 7845 7855 Parts
PL 28.6 HCF Feeder (3 of 3)
1
059K26591 Roller Assembly Retard
New
059K26591 (New) 3-4 Day Lead
$89.76



2 Retard Roll Assembly (P/O PL 28.6 Item 1) (REP 19.5)
3 Retard Shaft Assembly (P/O PL 28.6 Item 1)
4 Collar (P/O PL 28.6 Item 3)
5
005K06701 Friction clutch
New
005K06701 (New) 3-4 Day Lead
$130.56



6 Shaft (P/O PL 28.6 Item 3)
7
007E78170 Gear
New
007E78170 (New) 3-4 Day Lead
$78.88



8
007E89760 Gear (22T)
New
007E89760 (New) 3-4 Day Lead
$85.68



9
013E23600 Bearing
New
013E23600 (New) 3-4 Day Lead
$59.84



10
013E23610 Bearing
New
013E23610 (New) 3-4 Day Lead
$142.80



11 Retard Bracket (P/O PL 28.6 Item 1)
12 Slide (P/O PL 28.6 Item 1)
13 Lever (P/O PL 28.6 Item 1)
14 Lower Chute (P/O PL 28.6 Item 1)
15 Lower Frame (P/O PL 28.6 Item 1)
16 Spring (P/O PL 28.6 Item 1)
17 Spring (P/O PL 28.6 Item 1)
Xerox Finisher 7525 7530 7535 7545 7556 7800 7830 7835 7845 7855 Parts
PL 28.7 HCF Top Cover Unit
1

2 Bracket (Not Spared)
3 Pivot Bracket (Not Spared)
4 Top Cover Assembly (Not Spared)
5 Bearing (P/O PL 28.7 Item 4)
6 Upper Chute (P/O PL 28.7 Item 4)
7 Top Cover (P/O PL 28.7 Item 4)
8 Knob (P/O PL 28.7 Item 4)
9 Latch (P/O PL 28.7 Item 4)
10 Latch (P/O PL 28.7 Item 4)
11 Spring (P/O PL 28.7 Item 4)
12
059E01430 Pinch roller
New
059E01430 (New) 3-4 Day Lead
$37.00



13 Shaft (P/O PL 28.7 Item 4)
14 Shaft (P/O PL 28.7 Item 4)
15 Spring (P/O PL 28.7 Item 4)
16 Spring (P/O PL 28.7 Item 4)
17 Gasket (P/O PL 28.7 Item 4)
18
059k36260 Roller
New
059K36260 (New)
$76.00


059k36260 Roller
Fully refurbished with 90-day warranty
059K36260


059K36260 Takeaway roll
New
059K36260 (New) 3-4 Day Lead
$106.08



19 Spring (Left) (P/O PL 28.1 Item 16)
20 Spring (Right) (P/O PL 28.1 Item 16)
21 Pivot Shaft (P/O PL 28.1 Item 16)
22 Bracket (P/O PL 28.1 Item 16)
23 Bracket (P/O PL 28.1 Item 16)
24 Lower Chute (P/O PL 28.1 Item 16)
25
130k88150 Sensor
New
130K88150 (New) 3-4 Day Lead
$61.20


130k88150 Sensor
Fully refurbished with 90-day warranty
130K88150



26
110E94770 Switch
Fully refurbished with 90-day warranty
110E94770
$26.00


110E94770 Switch
New
110E94770 (New) 3-4 Day Lead
$39.44


Xerox Finisher 7525 7530 7535 7545 7556 7800 7830 7835 7845 7855 Parts
PL 28.8 HCF Electrical and Rail
1 Plate (Not Spared)
2
017e92820 Caster
New
017E92820 (New)
$47.00


017e92820 Caster
Fully refurbished with 90-day warranty
017E92820 3-4 Day Lead
$39.44


017E92820 Rack caster
New
017E92820 (New) 3-4 Day Lead
$63.92



3
017E97191 Foot
New
017E97191 (New) 3-4 Day Lead
$85.68



4 Latch Lever (Not Spared)
5 Spring (Not Spared)
6
801K15690 Rail
New
801K15690 (New) 3-4 Day Lead
$163.20



7
127K47150 Motor Assy Take Away
New
127K47150 127K47151 127K47152 (New)
$97.00


127K47150 Motor Assy Take Away
Fully refurbished with 90-day warranty
127K47150 127K47151 127K47152
$65.00


127K47150 Motor Assembly Take Away Tray 6
New
127K47150 (New) 3-4 Day Lead
$142.80



8 Docking Interlock Switch (not Spared)
9
960K31492 HCF Controller Card 2000 Sheet Assembly
New
960K31492 (New) 3-4 Day Lead
$383.52



10 Wire Harness (P/O PL 28.1 Item 16)
11
130k55590 Sensor
New
130K55590 (New)
$12.00


130k55590 Sensor
Fully refurbished with 90-day warranty
130K55590 3-4 Day Lead
$32.00


130K55590 Tray set sensor
New
130K55590 (New) 3-4 Day Lead
$43.52



12 Bracket (P/O PL 28.1 Item 16)
Xerox Finisher 7525 7530 7535 7545 7556 7800 7830 7835 7845 7855 Parts
PL 35.1 Single Board Controller (1 of 2)
1 Single Board Control Unit (REF: PL 35.2)
2 960K65970 Two Line Fax Assembly
960K65960 Fax PWBA One Line
Fully refurbished with 90-day warranty
960K65960
$183.60


960K65960 Fax PWBA One Line
New
960K65960 (New) 3-4 Day Lead
$424.32



3
848E74310 Fax Safety Cover
New
848E74310 (New) 3-4 Day Lead
$96.56


Xerox Finisher 7525 7530 7535 7545 7556 7800 7830 7835 7845 7855 Parts
PL 35.2 Single Board Controller (2 of 2)
1 Chassis Assembly (Not Spared)
2
121K51073 Hard Drive
Fully refurbished with 90-day warranty
121K51073
$129.20



121K51072 Hard Drive
Fully refurbished with 90-day warranty
121K51072
$129.20



3
962K40460 Power/Data Harness ESS PWB
New
962K40460 (New) 3-4 Day Lead
$96.56



4
960K66381 Main Controller PWB
New
960K66381 (New)
$1570.80


960K66381 Main Controller PWB
Fully refurbished with 90-day warranty
960K66381
$403.92



5 960K59381 Fax Riser PWBA
6 826E39370 Thumb Screw (M4)
7 Fax Filler Panel (Not Spared)
8 962K95670 Fax IF Flex Cable
9
960K65323 Software Module - Program Flash
New
960K65323 (New)
$378.08


960K65323 Software Module - Program Flash
Fully refurbished with 90-day warranty
960K65323
$66.64



960K65322 Software Module - Program Flash
New
960K65322 (New)
$378.08


960K65322 Software Module - Program Flash
Fully refurbished with 90-day warranty
960K65322
$66.64



160K99203 NVM PWB
Fully refurbished with 90-day warranty
160K99203
$121.04



10 NVM Battery/RTC (Not Spared)
11 833W39035 System Memory (2GB)
12
137E30390 EPC Memory
Fully refurbished with 90-day warranty
137E30390
$107.44


137E30390 EPC Memory
New
137E30390 (New) 3-4 Day Lead
$274.72



13
962K41361 FDI Internal Cable
New
962K41361 (New) 3-4 Day Lead
$244.80


Xerox Finisher 7525 7530 7535 7545 7556 7800 7830 7835 7845 7855 Parts
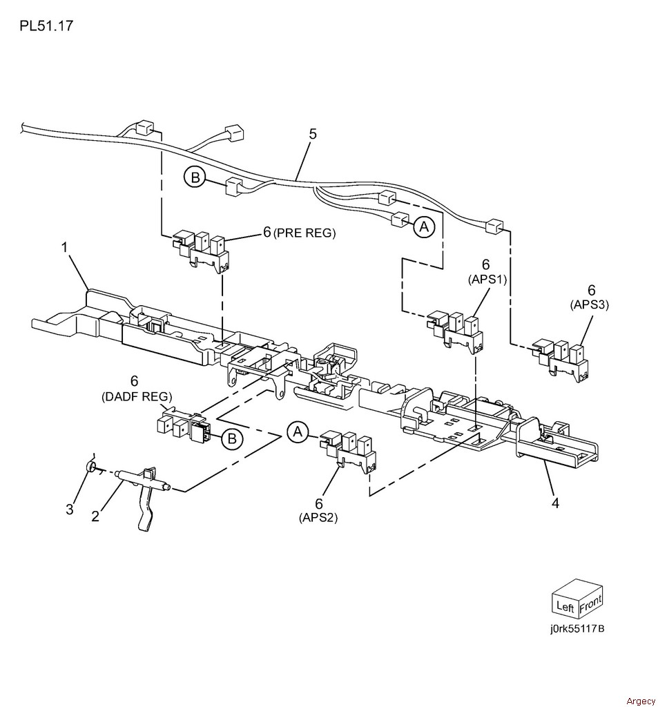
PL 51.1 DADF Accessory
1 DADF Platen Cushion (Not Spared) (REP 5.2)
2
059K69247 DADF Whole Unit
Fully refurbished with 90-day warranty
059K69247
$465.75



3 Label (Not Spared)
Xerox Finisher 7525 7530 7535 7545 7556 7800 7830 7835 7845 7855 Parts
PL 51.2 Covers, PWB
1 Base Frame (P/O PL 51.1 Item 2)
2
059K65137 DADF Feeder
Fully refurbished with 90-day warranty
059K65137
$311.44



3 Rear Cover (P/O PL 51.1 Item 2) (REP 5.4)
4 Front Cover (P/O PL 51.1 Item 2) (REP 5.3)
5 117E27450 IIT DADF Cable
6
960K47307 DADF PWB
Fully refurbished with 90-day warranty
960K47307
$121.04



7 Wire Harness (P/O PL 51.1 Item 2)
8 Data Plate (P/O PL 51.1 Item 2)
9 003K87870 Stopper
10 P Clamp (P/O PL 51.1 Item 2)
11 Bracket (P/O PL 51.1 Item 2)
12 Knob Label (Not Spared)
Xerox Finisher 7525 7530 7535 7545 7556 7800 7830 7835 7845 7855 Parts
PL 51.3 Base Frame
1 Frame (P/O PL 51.1 Item 2)
2 036K91874 Left Counter Balance (REP 5.7)
3 036K91883 Right Counter Balance (REP 5.8)
4 Tie Plate (P/O PL 51.1 Item 2)
5 054K41230 CVT Chute
6 826E45980 Stud Screw
7 Ground Plate (P/O PL 51.1 Item 2)
8 CVT Spring (Not Spared)
9 019E73462 Floating Holder
10 809E89310 Floating Spring
11 Bracket (P/O PL 51.1 Item 2)
Xerox Finisher 7525 7530 7535 7545 7556 7800 7830 7835 7845 7855 Parts
PL 51.4 Document Tray
1
050K64253 DADF Document Tray Assembly
New
050K64253 (New)
$240.30



2
059K65064 Top Cover - DADF
New
059K65064 (New)
$161.84



3 Stud Bracket (P/O PL 51.1 Item 2)
Xerox Finisher 7525 7530 7535 7545 7556 7800 7830 7835 7845 7855 Parts
PL 51.5 DADF Drives (1 of 2)
1 032E32642 Harness Guide (REP 5.11)
2 110K15932 Interlock Switch and Harness Assembly
3 Bracket (P/O PL 51.5 Item 2)
4 Interlock Switch (P/O PL 51.5 Item 2)
5 Spring (P/O PL 51.5 Item 2)
6 Switch Wire Harness (P/O PL 51.5 Item 2)
7
127K60530 DADF Feed Motor
New
127K60530 (New)
$136.00



8 127K60550 Registration Motor (REP 5.12)
9 809E50763 Spring
10 809E91390 Spring
11 Bracket (P/O PL 51.1 Item 2)
12 Bracket (P/O PL 51.1 Item 2)
13 Feeder Wire Harness (P/O PL 51.1 Item 2)
14 Motor Wire Harness (P/O PL 51.1 Item 2)
15 APS Wire Harness (Not Spared)
16 Connector (Not Spared)
17 Connector (Not Spared)
Xerox Finisher 7525 7530 7535 7545 7556 7800 7830 7835 7845 7855 Parts
PL 51.6 DADF Drives (2 of 2)
1 011E22861 Nip Lever
2 Stopper Link (Not Spared)
3 012E17161 Release Link
4 019K10320 Brake
5 020E46551 Registration Roll Pulley
6 020E46561 Pulley Gear
7 020E46571 Pulley Gear
8 059E98620 Roll
9 121K46620 Gate Solenoid
10 Gate Solenoid (P/O PL 51.6 Item 9)
11 Cushion (P/O PL 51.6 Item 9)
12 121K43660 Exit Nip Release Solenoid
13 130K73000 Feed Out Sensor Assembly
14 Sensor Bracket (P/O PL 51.6 Item 13)
15
930W00111 Sensor
New
930W00111 930W00122 930W00121 130E82190 (New) 4-5 day lead time to ship
$37.00


930W00121 BTR contact/retract sensor
New
930W00121 (New) 3-4 Day Lead
$37.00



16 423W06555 Belt
17
423W31554 Belt
New
423W31554 (New) 3-4 Day Lead
$48.96



18 807E26971 Gear
19 807E26981 Exit Roll Gear
20 807E26991 Gear
21 807E27011 Take Away Roll Gear
22 809E86320 Spring
Xerox Finisher 7525 7530 7535 7545 7556 7800 7830 7835 7845 7855 Parts
PL 51.7 Front Belt
1 020E46540 Out Roll Pulley
2 020E46551 Registration Roll Pulley
3 423W08855 Belt
3 423W08854 Belt (Alternate)
4 Belt (Not Spared)
5 803E02200 Knob Handle
6 Ground Plate (Not Spared)
7
960K48840 DADF Document Set LED and Bracket
New
960K48840 (New) 3-4 Day Lead
$72.08



8 LED Bracket (P/O PL 51.7 Item 7)
9 Document LED (P/O PL 51.7 Item 7)
Xerox Finisher 7525 7530 7535 7545 7556 7800 7830 7835 7845 7855 Parts
PL 51.8 Registration, Retard, Invert, Output Chutes
1 054K39700 Registration Chute (REP 5.14)
2
054K44171 ADF Retard Chute
New
054K44171 (New)
$176.80



3 054K41044 Invert Chute
4 054K41050 Output Chute
5 Stamp Solenoid (Not Spared)
Xerox Finisher 7525 7530 7535 7545 7556 7800 7830 7835 7845 7855 Parts
PL 51.9 Roll, Sensor Bracket
1 Bearing (Not Spared)
2 059K65081 Registration Roll
3 Take Away Roll (Not Spared) (REP 5.16)
4 Output Roll (Not Spared)
5 Exit Roll (Not Spared)
6 068K69460 Sensor Bracket Assembly (REP 5.17)
7 Bearing (Not Spared)
8
930W00111 Sensor
New
930W00111 930W00122 930W00121 130E82190 (New) 4-5 day lead time to ship
$37.00


930W00121 BTR contact/retract sensor
New
930W00121 (New) 3-4 Day Lead
$37.00


Xerox Finisher 7525 7530 7535 7545 7556 7800 7830 7835 7845 7855 Parts
PL 51.10 Document Tray
1 Sensor Bracket (P/O PL 51.4 Item 1)
2
930W00111 Sensor
New
930W00111 930W00122 930W00121 130E82190 (New) 4-5 day lead time to ship
$37.00


930W00121 BTR contact/retract sensor
New
930W00121 (New) 3-4 Day Lead
$37.00



3 Tray Cover (P/O PL 51.4 Item 1)
4 Tray Wire Harness (P/O PL 51.4 Item 1)
5 032K05861 Guide
6 Max Label (Not Spared)
7 Harness Cover (P/O PL 51.4 Item 1)
8 Harness Cover (P/O PL 51.4 Item 1)
9 Front Gear Rack (P/O PL 51.4 Item 1)
10 Rear Gear Rack (P/O PL 51.4 Item 1)
11
930W00241 Document Tray Size Sensor
New
930W00241 (New) 3-4 Day Lead
$85.68



12 Instruction Label (Not Spared)
13 Rack Spring (P/O PL 51.4 Item 1)
14 Pinion Gear (P/O PL 51.4 Item 1)
15 Rear Side Guide (P/O PL 51.4 Item 1)
16 Front Side Guide (P/O PL 51.4 Item 1)
17 Upper Tray (P/O PL 51.4 Item 1)
Xerox Finisher 7525 7530 7535 7545 7556 7800 7830 7835 7845 7855 Parts
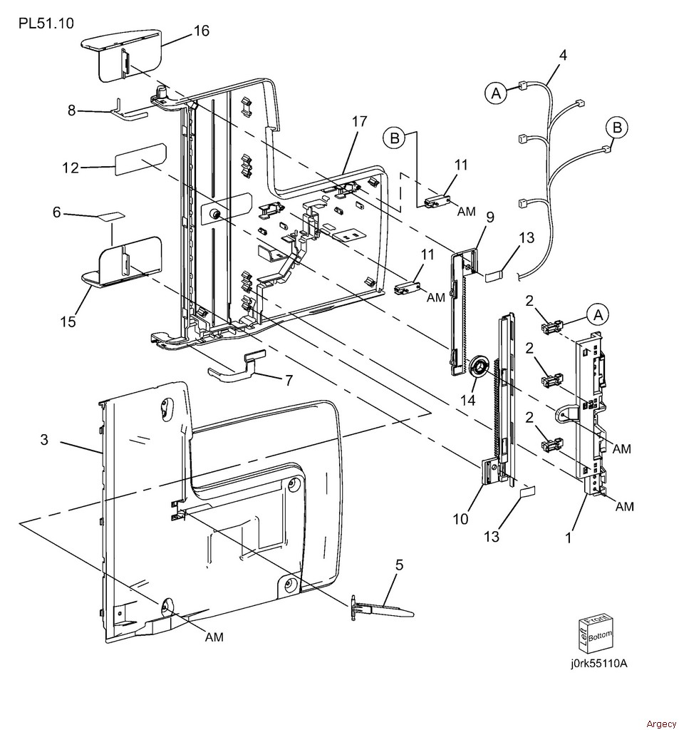
PL 51.11 Top Cover
1 Top Cover (P/O PL 51.4 Item 2)
2 Upper Feed Chute (P/O PL 51.4 Item 2)
3
059K65070 ADF Feed/Pick Roller Assembly
New
059K65070 (New) 3-4 Day Lead
$106.08



4 011K03520 Lever Latch
5 059K61230 Take Away Pinch Roll
6 120K92500 Document Set Actuator
7 120E32200 Feed Out Actuator
8 Bracket (P/O PL 51.4 Item 2)
9 Ground Plate (P/O PL 51.4 Item 2)
10 897E24010 Size Label
11 897E24000 Jam Label
12 Spring (Not Spared)
13 Spring (Not Spared)
14 Spring (Not Spared)
Xerox Finisher 7525 7530 7535 7545 7556 7800 7830 7835 7845 7855 Parts
PL 51.12 Upper Feeder
1 Housing (P/O PL 51.11 Item 3)
2 Feeder Pulley (P/O PL 51.12 Item 3)
3 Nudger Pulley (P/O PL 51.11 Item 3)
4 Belt (P/O PL 51.11 Item 3)
5 Feed Shaft (P/O PL 51.11 Item 3)
6 Nudger Shaft (P/O PL 51.11 Item 3)
7 Feed Roll, Nudger Roll (P/O PL 51.12 Item 11) (REP 5.18)
8 Bearing (P/O PL 51.11 Item 3)
9 Housing (P/O PL 51.12 Item 11)
10 Gear (P/O PL 51.11 Item 3)
11
604K58410 DADF Feed Roll Kit
New
604K58410 (New)
$80.24


Xerox Finisher 7525 7530 7535 7545 7556 7800 7830 7835 7845 7855 Parts
PL 51.13 Registration Chute
1 Registration Chute (P/O PL 51.8 Item 1)
2 Pinch Shaft (P/O PL 51.8 Item 1)
3 Registration Wide Pinch Roll (P/O PL 51.8 Item 1)
4 Registration Short Pinch Roll (P/O PL 51.8 Item 1)
5 Seal (P/O PL 51.8 Item 1)
6 Seal (P/O PL 51.8 Item 1)
7 Spring (P/O PL 51.8 Item 1)
Xerox Finisher 7525 7530 7535 7545 7556 7800 7830 7835 7845 7855 Parts
PL 51.14 Retard Chute
1 Chute (P/O PL 51.8 Item 2)
2 Set Gate (P/O PL 51.8 Item 2)
3 Housing (P/O PL 51.8 Item 2)
4 Spring (P/O PL 51.8 Item 2)
5 Retard Roll (REP 5.19)
6 848K43600 Retard Roll Cover (P/O PL 51.12 Item 11)
7 Seal (P/O PL 51.8 Item 2)
8 Seal (P/O PL 51.8 Item 2)
9 Label (P/O PL 51.8 Item 2)
10 Shaft (P/O PL 51.12 Item 11)
11 Pad (P/O PL 51.8 Item 2)
Xerox Finisher 7525 7530 7535 7545 7556 7800 7830 7835 7845 7855 Parts
PL 51.15 Invert Chute
1 Invert Chute (P/O PL 51.8 Item 3)
2 Pre Registration Actuator (P/O PL 51.8 Item 3)
3 Actuator (Aps 1) (P/O PL 51.8 Item 3)
4 Actuator (Aps 2) (P/O PL 51.8 Item 3)
5 Actuator (Aps 2) (P/O PL 51.8 Item 3)
6 Actuator (Aps 3) (P/O PL 51.8 Item 3)
7 Invert Actuator (P/O PL 51.8 Item 3)
8 Invert Gate (P/O PL 51.8 Item 3)
9 Spring (P/O PL 51.8 Item 3)
10 Spring (P/O PL 51.8 Item 3)
11 Seal (P/O PL 51.8 Item 3)
12 Seal (P/O PL 51.8 Item 3)
13 Pad (P/O PL 51.8 Item 3)
PL 51.12 Upper Feeder
Xerox Finisher 7525 7530 7535 7545 7556 7800 7830 7835 7845 7855 Parts
PL 51.16 Output Chute
1 Chute (P/O PL 51.8 Item 4)
2 Exit Pinch Roll (P/O PL 51.8 Item 4)
3 Pinch Shaft (P/O PL 51.8 Item 4)
4 Wide Registration Pinch Roll (P/O PL 51.8 Item 4)
5 Short Registration Pinch Roll (P/O PL 51.8 Item 4)
6 Spring (P/O PL 51.8 Item 4)
7 Spring (P/O PL 51.8 Item 4)
8 Bearing (P/O PL 51.8 Item 4)
9 Pad (P/O PL 51.8 Item 4)
Xerox Finisher 7525 7530 7535 7545 7556 7800 7830 7835 7845 7855 Parts
PL 51.17 Sensor Bracket
Item Part Description
1 Sensor Housing (P/O PL 51.4 Item 1)
2 120E31741 Registration Actuator
3 Spring (P/O PL 51.4 Item 1)
4 Sensor Guide (P/O PL 51.4 Item 1)
5 Wire Harness (Not Spared)
6
930W00111 Sensor
New
930W00111 930W00122 930W00121 130E82190 (New) 4-5 day lead time to ship
$37.00


930W00121 BTR contact/retract sensor
New
930W00121 (New) 3-4 Day Lead
$37.00


Xerox Finisher 7525 7530 7535 7545 7556 7800 7830 7835 7845 7855 Parts